Hier vindt u alle beschikbare onderdelen en tekeningen van de 'Makita 9005B'. Vanaf hier kunt u direct alle gewenste onderdelen bestellen. Vele onderdelen moeten bij de fabrikant besteld worden, dit duurt afhankelijk van het merk, één tot vier weken. Alle informatie die we hebben, staat op onze website, wij kunnen u geen advies geven over wat u nodig heeft, daarvoor zult u de machine ter reparatie in moeten leveren. Let bij het bestellen op het volgende:
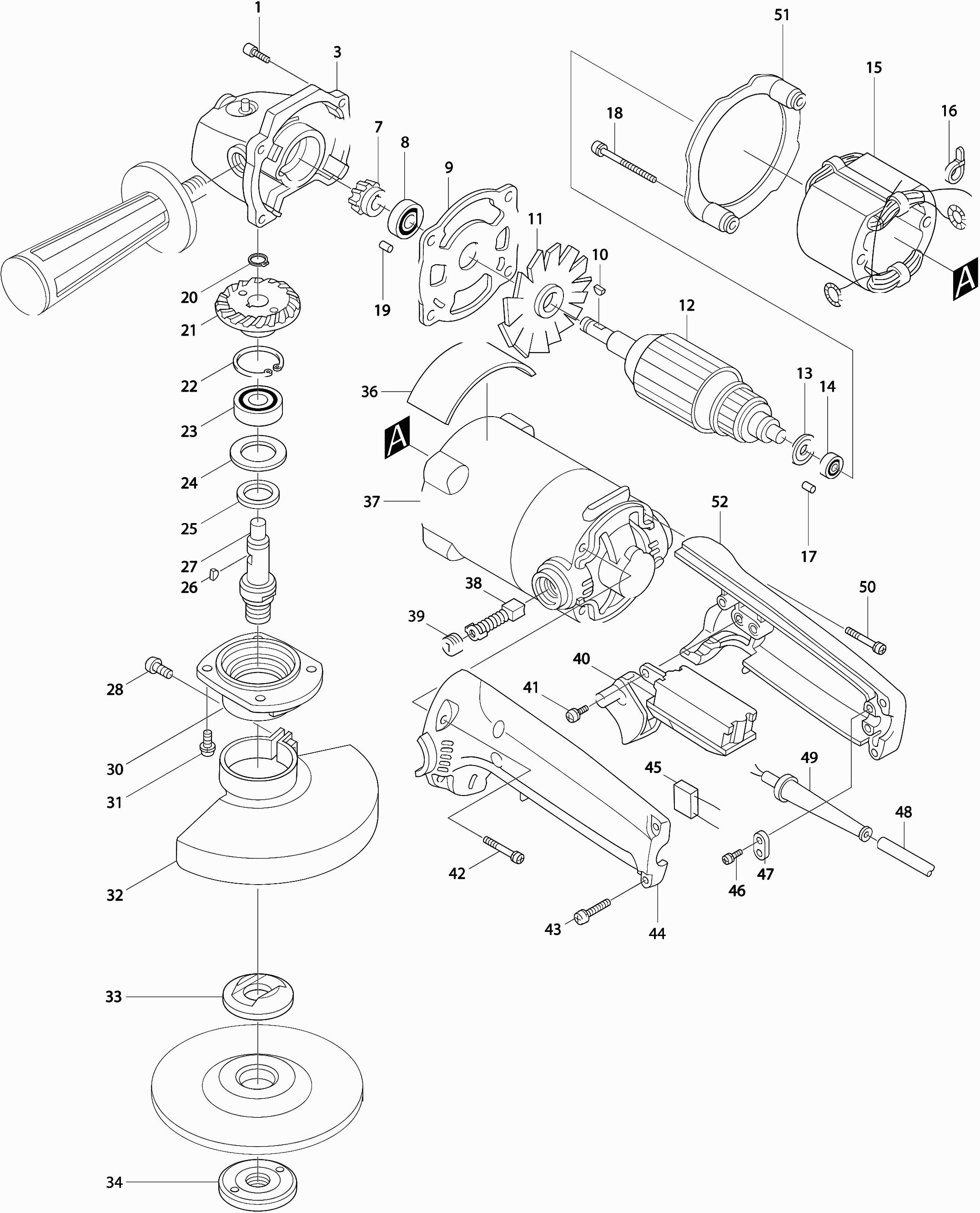
Tekeningen van de Makita 9005B
Onderdelen lijst van de Makita 9005B
| Pos. | Omschrijving | Prijs excl. BTW | Prijs incl. BTW | |
| Getoonde prijzen zijn inclusief btw | ||||
| SCHROEF 5X25 | ||||
| 001 | 911241-2 | 1.00 | 1.21 | |
| GEREEDSCHAPSTEUN 9005B * | ||||
| 002 | 341680-6 | 7.20 | 8.71 | |
| TANDWIELHUIS 9005B-PC1100 * | ||||
| 003 | 144196-8 | 18.70 | 22.63 | |
| TANDWIELHUIS 9005B-PC1100 * | ||||
| 003-3 | 144196-8 | 18.70 | 22.63 | |
| TANDWIELHUIS 9005B-PC1100 * | ||||
| 003-4 | 144196-8 | 18.70 | 22.63 | |
| BORGRING S-8 | ||||
| 005 | 961004-6 | 1.00 | 1.21 | |
| SLUITRING 8 * | ||||
| 006 | 253140-5 | 1.00 | 1.21 | |
| Geen informatie beschikbaar, niet bestelbaar | ||||
| 007 | 181737-9 | |||
| Geen informatie beschikbaar, niet bestelbaar | ||||
| 007-2 | 181737-9 | |||
| TANDWIEL SET PC1100 A | ||||
| 007-3 | 187603-8 | 10.80 | 13.07 | |
| KOGELLAGER 6000DDW A | ||||
| 008 | 210315-9 | 6.00 | 7.26 | |
| KOGELLAGER 6000DDW A | ||||
| 008-1 | 210315-9 | 6.00 | 7.26 | |
| PLAAT 9005B * | ||||
| 009 | 341681-4 | 3.60 | 4.36 | |
| INLEGSPIE 3 | ||||
| 010 | 254002-0 | 1.00 | 1.21 | |
| WAAIER 70 GA5000 A | ||||
| 011 | 241517-6 | 12.10 | 14.64 | |
| WAAIER 70 GA5000 A | ||||
| 011-1 | 241517-6 | 12.10 | 14.64 | |
| ANKER 9005B-PC1100 A | ||||
| 012 | 516093-2 | 56.10 | 67.88 | |
| ANKER 9005B-PC1100 A | ||||
| 012C1 | 516093-2 | 56.10 | 67.88 | |
| ISOLATIERING | ||||
| 013 | 681613-2 | 1.00 | 1.21 | |
| KOGELLAGER 608DDW A | ||||
| 014 | 210005-4 | 4.80 | 5.81 | |
| KOGELLAGER 608DDW A | ||||
| 014-1 | 210005-4 | 4.80 | 5.81 | |
| VELD 9005B-PC1100 | ||||
| 015 | 522673-4 | 44.00 | 53.24 | |
| VELD 9005B-PC1100 | ||||
| 015C1 | 522673-4 | 44.00 | 53.24 | |
| KLEMBAND VC2510L | ||||
| 016 | 687010-0 | 1.00 | 1.21 | |
| RUBBER PEN 4 | ||||
| 017 | 263014-2 | 1.00 | 1.21 | |
| RUBBER PEN 4 | ||||
| 017-1 | 263014-2 | 1.00 | 1.21 | |
| SCHROEF 5X65 A | ||||
| 018 | 911290-9 | 1.20 | 1.45 | |
| SCHROEF 5X65 A | ||||
| 018-1 | 911290-9 | 1.20 | 1.45 | |
| RUBBER PEN 4 6413 A | ||||
| 019 | 263002-9 | 1.00 | 1.21 | |
| BORGRING S-12 | ||||
| 020 | 961052-5 | 1.00 | 1.21 | |
| Geen informatie beschikbaar, niet bestelbaar | ||||
| 021-2 | 181737-9 | |||
| TANDWIEL SET PC1100 A | ||||
| 021-3 | 187603-8 | 10.80 | 13.07 | |
| BORGRING R-32 EBH341L P | ||||
| 022 | 962151-6 | 1.00 | 1.21 | |
| KOGELLAGER 6201DDW A | ||||
| 023 | 211129-9 | 8.40 | 10.16 | |
| KOGELLAGER 6201DDW A | ||||
| 023-1 | 211129-9 | 8.40 | 10.16 | |
| SLUITRING 22 | ||||
| 024 | 267126-3 | 1.20 | 1.45 | |
| SLUITRING 22 | ||||
| 024-1 | 267126-3 | 1.20 | 1.45 | |
| VILTEN RING 20 9005B | ||||
| 025 | 443051-4 | 1.00 | 1.21 | |
| INLEGSPIE 3 | ||||
| 026 | 254002-0 | 1.00 | 1.21 | |
| Geen informatie beschikbaar, niet bestelbaar | ||||
| 027 | 321323-6 | |||
| AS GA5000 * | ||||
| 027C2 | 321341-4 | 26.40 | 31.94 | |
| SCHROEF 5X16 | ||||
| 028 | 251259-4 | 1.00 | 1.21 | |
| VEERRING 5MM DLS211 | ||||
| 029 | 253427-5 | 1.00 | 1.21 | |
| LAGERHUIS 9005B | ||||
| 030 | 315282-4 | 19.80 | 23.96 | |
| SCHROEF 4X14 A | ||||
| 031 | 911123-8 | 1.00 | 1.21 | |
| Geen informatie beschikbaar, niet bestelbaar | ||||
| 031-2 | 266148-0 | |||
| Geen informatie beschikbaar, niet bestelbaar | ||||
| 032 | 134440-1 | |||
| Geen informatie beschikbaar, niet bestelbaar | ||||
| 032A1 | 134440-1 | |||
| Geen informatie beschikbaar, niet bestelbaar | ||||
| 036-1 | 850R04-8 | |||
| MOTORHUIS 9005B | ||||
| 037 | 156734-4 | 30.80 | 37.27 | |
| KOOLBORSTEL SET CB-100 A | ||||
| 038 | 194974-6 | 3.54 | 4.28 | |
| KOOLBORSTEL SET CB-100 A | ||||
| 038C | 194974-6 | 3.54 | 4.28 | |
| KOOLBORSTELHOUDERDOP | ||||
| 039 | 643600-9 | 1.20 | 1.45 | |
| SCHAKELAAR C3D-15AS 6511241 | ||||
| 040 | 651128-3 | 22.00 | 26.62 | |
| SCHAKELAAR C3D-15AS 6511241 | ||||
| 040C | 651128-3 | 22.00 | 26.62 | |
| SCHROEF 4X10 | ||||
| 041 | 911113-1 | 1.00 | 1.21 | |
| SCHROEF 4X10 | ||||
| 041-2 | 911113-1 | 1.00 | 1.21 | |
| SCHROEF 5X28 | ||||
| 042 | 911248-8 | 1.00 | 1.21 | |
| SCHROEF 4X22 | ||||
| 043 | 911143-2 | 1.00 | 1.21 | |
| HANDGREEP SET 9005B NIEUW A | ||||
| 044 | 182853-0 | 15.40 | 18.63 | |
| KLEMSTRIP LM001C | ||||
| 044A | 687051-6 | 1.20 | 1.45 | |
| Geen informatie beschikbaar, niet bestelbaar | ||||
| 044B | 182418-8 | |||
| HANDGREEP SET 9005B NIEUW A | ||||
| 044B1 | 182853-0 | 15.40 | 18.63 | |
| HANDGREEP SET 9005B NIEUW A | ||||
| 044B2 | 182853-0 | 15.40 | 18.63 | |
| CONDENSATOR 5704R 0,22UF P | ||||
| 045 | 645190-8 | 2.40 | 2.90 | |
| Geen informatie beschikbaar, niet bestelbaar | ||||
| 045A | 645200-1 | |||
| TAPSCHROEF 4X18 P | ||||
| 046 | 265A48-7 | 1.00 | 1.21 | |
| Geen informatie beschikbaar, niet bestelbaar | ||||
| 046A | 265941-9 | |||
| TAPSCHROEF 4X18 P | ||||
| 046A1 | 265A48-7 | 1.00 | 1.21 | |
| KLEMSTRIP 9555NB/BO3711 A | ||||
| 047 | 687124-5 | 1.00 | 1.21 | |
| Geen informatie beschikbaar, niet bestelbaar | ||||
| 047H | 687063-9 | |||
| Geen informatie beschikbaar, niet bestelbaar | ||||
| 047H1 | 687052-4 | |||
| NETSNOER 2X1.00 2.2MTR A | ||||
| 048 | 665383-1 | 10.80 | 13.07 | |
| Geen informatie beschikbaar, niet bestelbaar | ||||
| 048M1 | 665865-3 | |||
| Kabeltule 10-90 A | ||||
| 049 | 682505-8 | 1.67 | 2.02 | |
| Geen informatie beschikbaar, niet bestelbaar | ||||
| 049B | 682540-6 | |||
| SCHROEF 5X28 | ||||
| 050 | 911248-8 | 1.00 | 1.21 | |
| TUSSENPLAAT PC1100 | ||||
| 051 | 411876-4 | 4.80 | 5.81 | |
| TUSSENPLAAT PC1100 | ||||
| 051-1 | 411876-4 | 4.80 | 5.81 | |
| Geen informatie beschikbaar, niet bestelbaar | ||||
| 052B | 182418-8 | |||
| HANDGREEP SET 9005B NIEUW A | ||||
| 052B1 | 182853-0 | 15.40 | 18.63 | |
| HANDGREEP SET 9005B NIEUW A | ||||
| 052B2 | 182853-0 | 15.40 | 18.63 | |
| STATORVEERTJE CB-7 | ||||
| 060 | 654019-7 | 1.20 | 1.45 | |
| Klembus 1,25Mm Tbv Stat.Veer P | ||||
| 061 | 654501-6 | 0.83 | 1.00 | |