Hier vindt u alle beschikbare onderdelen en tekeningen van de 'Makita AC320H'. Vanaf hier kunt u direct alle gewenste onderdelen bestellen. Vele onderdelen moeten bij de fabrikant besteld worden, dit duurt afhankelijk van het merk, één tot vier weken. Alle informatie die we hebben, staat op onze website, wij kunnen u geen advies geven over wat u nodig heeft, daarvoor zult u de machine ter reparatie in moeten leveren. Let bij het bestellen op het volgende:
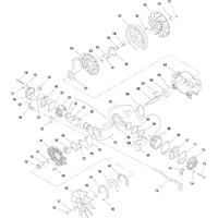
Tekeningen van de Makita AC320H
Onderdelen lijst van de Makita AC320H
| Pos. | Omschrijving | Prijs excl. BTW | Prijs incl. BTW | |
| Getoonde prijzen zijn inclusief btw | ||||
| Geen informatie beschikbaar, niet bestelbaar | ||||
| 001 | AM1101239A | |||
| BESCHERMKAP AC320H * | ||||
| 002 | AM1101238A | 3.60 | 4.36 | |
| SCHAKELAAR AC320H | ||||
| 003 | AM1101211A | 36.30 | 43.92 | |
| BEDIENINGSPANEEL AC320H | ||||
| 004 | AM1101280A | 88.00 | 106.48 | |
| TAPSCHROEF 5X16 AC320H | ||||
| 005 | AM1101254A | 2.40 | 2.90 | |
| Geen informatie beschikbaar, niet bestelbaar | ||||
| 009 | AM1101232A | |||
| WAARSCHUWINGSLABEL AC320H | ||||
| 009A | AM1101245A | 8.40 | 10.16 | |
| LABEL DEC AC320H | ||||
| 009B | AM1101247A | 2.40 | 2.90 | |
| WAARSCHUWINGSLABEL AC320H | ||||
| 009C | AM1101249A | 2.40 | 2.90 | |
| LABEL MAKITA AC320H | ||||
| 009D | AM1101250A | 2.40 | 2.90 | |
| SCHROEF M5X12 AC320H | ||||
| 010 | AM1101231A | 2.40 | 2.90 | |
| TAPSCHROEF 5X16 AC320H | ||||
| 011 | AM1101254A | 2.40 | 2.90 | |
| ZESKANTBOUT AC320A | ||||
| 012 | AM0802354A | 1.20 | 1.45 | |
| DEMPINGSBLOKJE AC320A | ||||
| 013 | AM0802278A | 2.40 | 2.90 | |
| WIEL AC320H | ||||
| 014 | AM0801992A | 52.80 | 63.89 | |
| DRUKMETER AC320H | ||||
| 015 | AM1101219A | 34.10 | 41.26 | |
| KNIESTUK AC320H | ||||
| 016 | AM0801875C | 8.40 | 10.16 | |
| SOK R1/4 20H P | ||||
| 017 | AM0207700D | 2.40 | 2.90 | |
| Geen informatie beschikbaar, niet bestelbaar | ||||
| 017-1 | AM00801599 | |||
| REGELAAR H AC320H P | ||||
| 018 | AM1101224A | 161.70 | 195.66 | |
| Geen informatie beschikbaar, niet bestelbaar | ||||
| 018-1 | AM1101292A | |||
| PLUG R1/16 AC320H | ||||
| 019 | AM0801617B | 3.60 | 4.36 | |
| SNELKOP.VERDEELSTUK AC320H | ||||
| 020 | AM0801874F | 23.10 | 27.95 | |
| SNELKOPPELING H R1/4 AC320H | ||||
| 021 | AM1101229A | 39.60 | 47.92 | |
| SNELKOPPELING H R1/4 AC320H | ||||
| 022 | AM1101229A | 39.60 | 47.92 | |
| Geen informatie beschikbaar, niet bestelbaar | ||||
| 023 | AM00801599 | |||
| AFDEKPLAAT AC320H | ||||
| 024 | AM1101208A | 6.00 | 7.26 | |
| Geen informatie beschikbaar, niet bestelbaar | ||||
| 025 | AM00801599 | |||
| DRUKSENSOR AC320H | ||||
| 026 | AM1101222A | 105.60 | 127.78 | |
| ONTLASTKLEP AC320H | ||||
| 027 | AM1101230A | 52.80 | 63.89 | |
| TANK CPL AC320H * | ||||
| 028 | AM1101281A | 554.40 | 670.82 | |
| VOET AC320H | ||||
| 029 | AM0801324D | 2.40 | 2.90 | |
| HANDVAT AC320H | ||||
| 030 | AM1101221A | 24.20 | 29.28 | |
| SCHROEF 6X14 AC320H | ||||
| 031 | AMAF350791 | 1.00 | 1.21 | |
| AFVOERBESCHERMKAP AC320H | ||||
| 032 | AM1101209A | 8.40 | 10.16 | |
| PASBUS 5-13MM AC320H* | ||||
| 033 | 344222-5 | 1.00 | 1.21 | |
| SCHROEF M5X20 A | ||||
| 034 | 911234-9 | 1.00 | 1.21 | |
| O-RING P18 AC320H | ||||
| 035 | AM1101241A | 1.00 | 1.21 | |
| AFDEKDOP AC320H | ||||
| 036 | AM1101240B | 10.80 | 13.07 | |
| DRUKMETER AC320H | ||||
| 037 | AM1101218A | 34.10 | 41.26 | |
| KNIESTUK AC320H | ||||
| 038 | AM0801875C | 8.40 | 10.16 | |
| SOK R1/4 20H P | ||||
| 039 | AM0207700D | 2.40 | 2.90 | |
| Geen informatie beschikbaar, niet bestelbaar | ||||
| 039-1 | AM00801599 | |||
| REGELAAR AC320H P | ||||
| 040 | AM1101217A | 161.70 | 195.66 | |
| Geen informatie beschikbaar, niet bestelbaar | ||||
| 040-1 | AM1101291A | |||
| AFDEKPLAAT AC320H | ||||
| 041 | AM1101208A | 6.00 | 7.26 | |
| Geen informatie beschikbaar, niet bestelbaar | ||||
| 042 | AM00801599 | |||
| Geen informatie beschikbaar, niet bestelbaar | ||||
| 043 | AM00801599 | |||
| PLUG R1/16 AC320H | ||||
| 044 | AM0801617B | 3.60 | 4.36 | |
| SNELKOP.VERDEELSTUK AC320H | ||||
| 045 | AM0801873E | 22.00 | 26.62 | |
| SNELKOPPELING L R AC320H | ||||
| 046 | AM1101228A | 27.50 | 33.28 | |
| SNELKOPPELING L R AC320H | ||||
| 047 | AM1101228A | 27.50 | 33.28 | |
| VOET AC320H | ||||
| 048 | AM0801313D | 3.60 | 4.36 | |
| KOPPELSTUK AC320H | ||||
| 049 | AM0801899A | 6.00 | 7.26 | |
| AFVOERBUIS AC320H | ||||
| 050 | AM1101251A | 10.80 | 13.07 | |
| KNIE 6-R 1/8 | ||||
| 051 | AM0801897A | 9.60 | 11.62 | |
| AFVOERFITTING AC320H | ||||
| 052 | AM0801386D | 11.00 | 13.31 | |
| Geen informatie beschikbaar, niet bestelbaar | ||||
| 053 | AM0801307D | |||
| SLUITRING 5MM DSP601 A | ||||
| 054 | 253414-4 | 1.00 | 1.21 | |
| AFSTANDSHOUDER L AC310H | ||||
| 055 | AM1101278B | 3.60 | 4.36 | |
| TAPSCHROEF 5X12 AC320H | ||||
| 056 | AM0801895A | 1.00 | 1.21 | |
| ONDERPLAAT AC320H | ||||
| 057 | AM1101216A | 22.00 | 26.62 | |
| SCHROEF 4X10 | ||||
| 058 | 911114-9 | 1.00 | 1.21 | |
| SCHROEF M5X12 AC320H | ||||
| 059 | AM1101231A | 2.40 | 2.90 | |
| AFDEKPLAAT AC320H | ||||
| 060 | AM1101258A | 28.60 | 34.61 | |
| AFDEKKAP AC320H | ||||
| 061 | AM1101226C | 1029.60 | 1245.82 | |
| AFSTANDSHOUDER S AC320H | ||||
| 062 | AM1101279A | 1.20 | 1.45 | |
| SCHROEF 4X10 | ||||
| 063 | 911114-9 | 1.00 | 1.21 | |
| LABEL MAKITA AC320H | ||||
| 064 | AM0801971A | 2.40 | 2.90 | |
| SCHROEF M5X20 A | ||||
| 065 | 911234-9 | 1.00 | 1.21 | |
| PASBUS 5-13MM AC320H* | ||||
| 066 | 344222-5 | 1.00 | 1.21 | |
| Geen informatie beschikbaar, niet bestelbaar | ||||
| 067 | AM00801626 | |||
| RUBBER VOETSTUK AC320H A | ||||
| 067-1 | AM0802687A | 2.40 | 2.90 | |
| KRUISKOP SCHROEF M5X14 AC320H | ||||
| 068 | AM0801431A | 1.00 | 1.21 | |
| WIEL CPL LINKS AC320H | ||||
| 069 | AM0801993A | 52.80 | 63.89 | |
| KABELDOORVOER AC320H | ||||
| 070 | AM1101212A | 4.80 | 5.81 | |
| NETSNOER AC320H | ||||
| 071 | AM1101220A | 27.50 | 33.28 | |
| SCHROEF 4X8 VOOR SCHAKELAAR | ||||
| 072 | 652014-1 | 1.00 | 1.21 | |
| KNIE 10-R1/4 AC320H | ||||
| 073 | AM00801598 | 8.40 | 10.16 | |
| PIJP 10 * | ||||
| 074 | AM0802313A | 18.70 | 22.63 | |
| KNIE 6-R 1/8 | ||||
| 075 | AM0801897A | 9.60 | 11.62 | |
| PIJP 6 | ||||
| 076 | AM1101227A | 13.20 | 15.97 | |
| KNIE 6-R 1/8 | ||||
| 077 | AM0801897A | 9.60 | 11.62 | |
| SCHROEF 6X25 | ||||
| 078 | AM0801960A | 1.20 | 1.45 | |
| SCHROEF 6X25 | ||||
| 079 | AM0801960A | 1.20 | 1.45 | |
| HANDVAT AC320H | ||||
| 080 | AM1101221A | 24.20 | 29.28 | |
| SOK R1/4 20H P | ||||
| 081 | AM0207700D | 2.40 | 2.90 | |
| Geen informatie beschikbaar, niet bestelbaar | ||||
| 081-1 | AM00801599 | |||
| VERDEELSTUK AC320H | ||||
| 082 | AM0801876C | 16.50 | 19.96 | |
| PLUG R1/8 AC320H | ||||
| 083 | AM0502509B | 1.20 | 1.45 | |
| PLUG R1/8 AC320H | ||||
| 084 | AM0502509B | 1.20 | 1.45 | |
| PLUG R1/8 AC320H | ||||
| 085 | AM0502509B | 1.20 | 1.45 | |
| DRUKMETER AC320H | ||||
| 086 | AM1101213A | 41.80 | 50.58 | |
| KABEL AC320H | ||||
| 087 | AM1101252A | 39.60 | 47.92 | |
| KABEL AC320H | ||||
| 088 | AM1101244A | 14.30 | 17.30 | |
| KABEL AC320H | ||||
| 089 | AM1101253A | 14.30 | 17.30 | |
| KABEL AC320H | ||||
| 090 | AM1101242A | 16.50 | 19.96 | |
| KABEL AC320H | ||||
| 091 | AM1101223A | 28.60 | 34.61 | |
| SCHROEF 5X25 AC320H | ||||
| 092 | AMAF350774 | 1.00 | 1.21 | |
| VELD AC320H | ||||
| 093 | AM1101225C | 363.00 | 439.23 | |
| Geen informatie beschikbaar, niet bestelbaar | ||||
| 094 | AM1101275A | |||
| CARTER AC320H A | ||||
| 094-1 | AM1101275B | 78.10 | 94.50 | |
| RUBBER PEN 6 AC320H P | ||||
| 095 | 263005-3 | 1.00 | 1.21 | |
| KOGELLAGER 6204 | ||||
| 096 | 211306-3 | 10.80 | 13.07 | |
| Geen informatie beschikbaar, niet bestelbaar | ||||
| 097 | AM0801323A | |||
| SCHARNIERPEN MOTOR AC320H * | ||||
| 098 | AM0802277A | 52.80 | 63.89 | |
| BALANSGEWICHT AC320H * | ||||
| 099 | AM0802274A | 9.60 | 11.62 | |
| BALANSGEWICHT AC320H * | ||||
| 099-1 | AM0802274A | 9.60 | 11.62 | |
| Geen informatie beschikbaar, niet bestelbaar | ||||
| 102 | AM1101282A | |||
| Geen informatie beschikbaar, niet bestelbaar | ||||
| 102-2 | AM1101287B | |||
| RING AC320H | ||||
| 103 | AM0801905A | 20.90 | 25.29 | |
| RINGPLAAT AC320H | ||||
| 104 | AM0503188E | 3.60 | 4.36 | |
| O-RING S5 AC320H | ||||
| 105 | AM00503229 | 1.20 | 1.45 | |
| KRUISKOP SCHROEF M5X14 AC320H | ||||
| 106 | AM00503242 | 1.00 | 1.21 | |
| OPVULPLAAT L AC320H | ||||
| 107 | AM0802281A | 2.40 | 2.90 | |
| CILINDER AC320H | ||||
| 108 | AM0802344A | 48.40 | 58.56 | |
| PAKKING, CYLINDER- L AC320H | ||||
| 109 | AM0801359F | 3.60 | 4.36 | |
| CONTACTPLATE L AC320H | ||||
| 110 | AM0802119A | 36.30 | 43.92 | |
| PAKKING L AC320H | ||||
| 111 | AM0801361F | 19.80 | 23.96 | |
| CILINDERKOP L AC320H | ||||
| 112 | AM0801363D | 17.60 | 21.30 | |
| INBUSBOUT M6X60 AC320H | ||||
| 113 | AM00801591 | 1.20 | 1.45 | |
| VEERRING 6 A | ||||
| 114 | 253903-9 | 1.00 | 1.21 | |
| KNIE 10-R1/4 AC320H | ||||
| 115 | AM00801598 | 8.40 | 10.16 | |
| PIJP 10MM AC320H | ||||
| 116 | AM1101273A | 30.80 | 37.27 | |
| Geen informatie beschikbaar, niet bestelbaar | ||||
| 119 | AM1101283A | |||
| ZUIGER ASSY AC320H P | ||||
| 119-2 | AM1101288B | 223.30 | 270.19 | |
| LOOPVLAK AC320H | ||||
| 120 | AM0802258A | 15.40 | 18.63 | |
| BORGRING 94H AC320H | ||||
| 121 | AM0802256A | 3.60 | 4.36 | |
| BLADRING 41 AC320H P | ||||
| 122 | AM0802257A | 34.10 | 41.26 | |
| OPVULPLAAT H AC320H* | ||||
| 123 | AM0802282A | 2.40 | 2.90 | |
| Niet meer leverbaar, geen vervanging | ||||
| 124 | AM0802252A | |||
| PAKKING, CYLINDER- H AC320H | ||||
| 125 | AM0802268A | 3.60 | 4.36 | |
| CONTACTPLATE H AC320H | ||||
| 126 | AM0802326A | 39.60 | 47.92 | |
| O-RING S12 AC320H | ||||
| 127 | AM00801589 | 2.40 | 2.90 | |
| KNIE 10-R1/4 AC320H | ||||
| 128 | AM00801598 | 8.40 | 10.16 | |
| O-RING S42 AC320H | ||||
| 129 | AM00801578 | 3.60 | 4.36 | |
| CILINDERKOP H AC320H | ||||
| 130 | AM0802323A | 52.80 | 63.89 | |
| KRUISKOP SCHROEF M4X12 AC320H | ||||
| 131 | AMAF456457 | 1.00 | 1.21 | |
| KNIE 10-R1/4 AC320H | ||||
| 132 | AM00801598 | 8.40 | 10.16 | |
| VEERRING 6 A | ||||
| 133 | 253903-9 | 1.00 | 1.21 | |
| INBUSBOUT M6X60 AC320H | ||||
| 134 | AM00801591 | 1.20 | 1.45 | |
| BALANSGEWICHT AC320H * | ||||
| 135 | AM0802274A | 9.60 | 11.62 | |
| BALANSGEWICHT AC320H * | ||||
| 135-1 | AM0802274A | 9.60 | 11.62 | |
| AFSTANDHOUDER AC320H | ||||
| 136 | AM0802356A | 10.80 | 13.07 | |
| TAPSCHROEF 5X12 AC320H | ||||
| 137 | AM0801895A | 1.00 | 1.21 | |
| LAGERBORGING F AC320H | ||||
| 138 | AM0801717B | 3.60 | 4.36 | |
| KOGELLAGER 6204 | ||||
| 139 | 211306-3 | 10.80 | 13.07 | |
| TANDWIELKAST F AC320H | ||||
| 140 | AM0802276A | 26.40 | 31.94 | |
| AFSTANDBUS AC320H | ||||
| 141 | AM0801884A | 6.00 | 7.26 | |
| BORGRING 18 AC320H | ||||
| 142 | AM0801442B | 2.40 | 2.90 | |
| MOER M18 AC320H | ||||
| 143 | AMAF430730 | 1.20 | 1.45 | |
| SCHROEF M5X20 A | ||||
| 144 | 911234-9 | 1.00 | 1.21 | |
| PAKKING AC320H | ||||
| 145 | AM0802290A | 3.60 | 4.36 | |
| Niet meer leverbaar, geen vervanging | ||||
| 146 | AM0802284A | |||
| FILTERKAP AC320H | ||||
| 147 | AM0802283A | 6.00 | 7.26 | |
| TAPSCHROEF 5X8 AC320H | ||||
| 148 | AM00502451 | 1.00 | 1.21 | |
| SLUITRING 12 | ||||
| 149 | 253744-3 | 1.00 | 1.21 | |
| WAAIER 190 AC320H | ||||
| 150 | AM0801391E | 8.40 | 10.16 | |
| SLUITRING M8 A | ||||
| 151 | 941202-8 | 1.00 | 1.21 | |
| MOER M8 ZWT | ||||
| 152 | 931402-8 | 1.00 | 1.21 | |
| SCHROEF 4X12 AC320H* | ||||
| 153 | AMAF350385 | 1.00 | 1.21 | |
| VULPLAAT AC320H | ||||
| 154 | AM0801889A | 2.40 | 2.90 | |
| WAAIER TURBO AC320H | ||||
| 155 | AM0801926B | 8.40 | 10.16 | |
| SCHROEF 5X10 AC320H | ||||
| 156 | AMAF350767 | 1.00 | 1.21 | |
| ANKER AC320H | ||||
| 157 | AM0802028A | 139.70 | 169.04 | |
| INBUSBOUT M8X25MM AC320H | ||||
| 158 | AM0801940A | 1.00 | 1.21 | |
| VEERRING 8MM AC320H* | ||||
| 159 | AMAF450405 | 1.00 | 1.21 | |
| AFSTANDBUS AC320H | ||||
| 160 | AM1101276A | 22.00 | 26.62 | |
| SPIE 6MM AC320H | ||||
| 161 | AM0802279A | 2.40 | 2.90 | |
| SCHROEF 5X10 AC320H | ||||
| 162 | AMAF350767 | 1.00 | 1.21 | |
| KABELCLIP B AC320H | ||||
| 163 | AM1101272A | 3.60 | 4.36 | |
| SCHROEF 4X10 | ||||
| 164 | 911114-9 | 1.00 | 1.21 | |
| KABELEIND AC320H | ||||
| 165 | AM1101270A | 1.20 | 1.45 | |
| KABELCLIP A AC320H | ||||
| 166 | AM1101271A | 3.60 | 4.36 | |
| AFDEKKAP AC320H | ||||
| 167 | AM1101286A | 7.20 | 8.71 | |