Hier vindt u alle beschikbare onderdelen en tekeningen van de 'Makita DFR750'. Vanaf hier kunt u direct alle gewenste onderdelen bestellen. Vele onderdelen moeten bij de fabrikant besteld worden, dit duurt afhankelijk van het merk, één tot vier weken. Alle informatie die we hebben, staat op onze website, wij kunnen u geen advies geven over wat u nodig heeft, daarvoor zult u de machine ter reparatie in moeten leveren. Let bij het bestellen op het volgende:
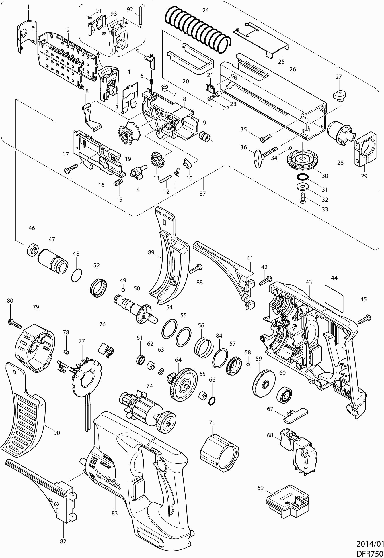
Tekeningen van de Makita DFR750
Onderdelen lijst van de Makita DFR750
| Pos. | Omschrijving | Prijs excl. BTW | Prijs incl. BTW | |
| Getoonde prijzen zijn inclusief btw | ||||
| NEUSSTUKKAP DFR550 | ||||
| 001 | 424043-2 | 2.40 | 2.90 | |
| DIEPTEAANSLAG 6844 | ||||
| 002 | 345841-0 | 17.60 | 21.30 | |
| GELEIDEBLOK BFR540 A | ||||
| 003 | 140493-0 | 14.30 | 17.30 | |
| AFSCHERMPLAAT BFR540 | ||||
| 004 | 346269-5 | 2.40 | 2.90 | |
| HANDEL BFR540 | ||||
| 005 | 345837-1 | 1.20 | 1.45 | |
| DRUKVEER 2 BFR540/6844 | ||||
| 006 | 233211-4 | 1.00 | 1.21 | |
| PEN 6 6833 | ||||
| 007 | 256451-7 | 2.40 | 2.90 | |
| AANVOERHUIS BFR540 P | ||||
| 008 | 450107-6 | 4.80 | 5.81 | |
| BUS 5 6833/34/35/37 GRS A | ||||
| 009 | 257685-5 | 3.60 | 4.36 | |
| STOPPER 6833 | ||||
| 010 | 310062-3 | 6.00 | 7.26 | |
| TORSIEVEER 4 6833 | ||||
| 011 | 231636-6 | 1.20 | 1.45 | |
| PEN 3 T221DW | ||||
| 012 | 256158-5 | 1.20 | 1.45 | |
| TANDWIEL 16 SCHROEFUNIT 6833 | ||||
| 013 | 226344-2 | 2.40 | 2.90 | |
| PALARM 6842 | ||||
| 014 | 158374-4 | 16.50 | 19.96 | |
| DRUKVEER 6 6833 | ||||
| 015 | 233212-2 | 1.00 | 1.21 | |
| AANVOERDEKSEL 6844 | ||||
| 016 | 158378-6 | 10.80 | 13.07 | |
| TAPSCHROEF 4X18 P | ||||
| 017 | 265A48-7 | 1.00 | 1.21 | |
| STOFDEKSEL BFR540/550 | ||||
| 018 | 162201-9 | 4.80 | 5.81 | |
| AANVOERWIEL BFR540/50 | ||||
| 019 | 416518-5 | 3.60 | 4.36 | |
| BEUGEL BFR540 | ||||
| 020 | 345838-9 | 3.60 | 4.36 | |
| BLOKKEERHANDEL BFR540 | ||||
| 021 | 450111-5 | 1.20 | 1.45 | |
| STELSCHROEF M3 BFR540 | ||||
| 022 | 265177-0 | 2.40 | 2.90 | |
| BUS BFR540 | ||||
| 023 | 257764-9 | 2.40 | 2.90 | |
| DRUKVEER 23 6844 | ||||
| 024 | 234032-7 | 2.40 | 2.90 | |
| SCHROEFHUISKAP BFR540 | ||||
| 025 | 450114-9 | 2.40 | 2.90 | |
| SCHROEFHUIS 6844* | ||||
| 026 | 158379-4 | 33.00 | 39.93 | |
| LABEL INDICATIE DFR750 * | ||||
| 026C10 | 816886-0 | 2.40 | 2.90 | |
| VERSTELPEN BFR540 | ||||
| 027 | 310237-4 | 4.80 | 5.81 | |
| ISOLATIEBUS BFR540 | ||||
| 028 | 450110-7 | 2.40 | 2.90 | |
| KLEMRING BFR540 | ||||
| 029 | 318181-9 | 9.60 | 11.62 | |
| KNOP 42MM 6833/34/35/37 A | ||||
| 030 | 417056-0 | 2.40 | 2.90 | |
| O-RING 12 | ||||
| 031 | 213107-5 | 1.00 | 1.21 | |
| SLUITRING 6 6835D | ||||
| 032 | 267201-5 | 1.20 | 1.45 | |
| VERZONKEN SCHROEF M4X12 | ||||
| 033 | 912117-6 | 1.00 | 1.21 | |
| Geen informatie beschikbaar, niet bestelbaar | ||||
| 034 | 216001-0 | |||
| VERZONKEN SCHROEF M4X12 | ||||
| 035 | 912117-6 | 1.00 | 1.21 | |
| SCHROEF 4X28 6833/34/35/37 A | ||||
| 036 | 265779-2 | 2.40 | 2.90 | |
| Neusstuk Cpl 5Mm 6844 A | ||||
| 037 | 195183-0 | 96.00 | 116.16 | |
| SCHROEFGELEIDERSET DFR750 | ||||
| 041 | 188306-7 | 7.20 | 8.71 | |
| TAPSCHROEF 4X18 P | ||||
| 042 | 265A48-7 | 1.00 | 1.21 | |
| HANDGR.SET BFR4/5/750 (3 CON)A | ||||
| 043 | 187478-5 | 30.80 | 37.27 | |
| NAAMPLAAT DFR750 | ||||
| 044 | 850D69-6 | 1.00 | 1.21 | |
| TAPSCHROEF 4X18 P | ||||
| 045 | 265A48-7 | 1.00 | 1.21 | |
| STOFRING 6830 | ||||
| 046 | 421467-3 | 1.20 | 1.45 | |
| GLIJLAGER 14 BFR440 | ||||
| 047 | 214173-5 | 4.80 | 5.81 | |
| O-RING 18 | ||||
| 048 | 213262-3 | 1.20 | 1.45 | |
| Geen informatie beschikbaar, niet bestelbaar | ||||
| 049 | 216001-0 | |||
| AS 6842 | ||||
| 050 | 324808-1 | 22.00 | 26.62 | |
| SCHOTELRING BFR440 | ||||
| 052 | 421927-5 | 1.20 | 1.45 | |
| SLUITRING 25 BFR440 * | ||||
| 054 | 267331-2 | 1.20 | 1.45 | |
| SLUITRING 25 BFR440 * | ||||
| 055 | 267331-2 | 1.20 | 1.45 | |
| DRUKVEER 25 BFR440 A | ||||
| 056 | 234017-3 | 2.40 | 2.90 | |
| KOPPELINGSPLAAT C BFR540 | ||||
| 057 | 223169-5 | 16.50 | 19.96 | |
| STALEN KOGEL 4 A | ||||
| 058 | 216008-6 | 1.00 | 1.21 | |
| TANDWIEL 48 BFR540 | ||||
| 059 | 226670-9 | 26.40 | 31.94 | |
| KOGELLAGER 5703R NIEUW | ||||
| 060 | 211034-0 | 3.60 | 4.36 | |
| BUS 10 6835D | ||||
| 061 | 165115-1 | 2.40 | 2.90 | |
| GLIJLAGER 5 | ||||
| 062 | 214017-9 | 1.00 | 1.21 | |
| SLUITRING 5 | ||||
| 063 | 253811-4 | 1.00 | 1.21 | |
| TANDWIEL 18-44 BFR440 | ||||
| 064 | 154937-4 | 26.40 | 31.94 | |
| GLIJLAGER 5 | ||||
| 065 | 214017-9 | 1.00 | 1.21 | |
| O-RING 10 AF500HP A | ||||
| 066 | 213055-8 | 1.00 | 1.21 | |
| L/R VERSTELHENDEL BFR440 | ||||
| 067 | 419304-3 | 2.40 | 2.90 | |
| SCHAKELAAR BFR540/50 (3 CONT.) | ||||
| 068 | 650670-1 | 14.30 | 17.30 | |
| AANSLUITUNIT DTD153 3CONT | ||||
| 069 | 643860-3 | 4.80 | 5.81 | |
| MAGNEET UNIT DFR750 | ||||
| 071 | 638426-2 | 23.10 | 27.95 | |
| ANKER BFR550 | ||||
| 074 | 619216-2 | 34.10 | 41.26 | |
| Geen informatie beschikbaar, niet bestelbaar | ||||
| 076 | 194427-5 | |||
| KOOLBORSTELHOUDER BFR440 | ||||
| 077 | 638433-5 | 3.60 | 4.36 | |
| TORSIEVEER R BDF450 | ||||
| 077C10 | 231696-8 | 1.00 | 1.21 | |
| TORSIEVEER L BDF450 | ||||
| 077C20 | 231697-6 | 1.00 | 1.21 | |
| RUBBER PEN 4 BTD130F | ||||
| 078 | 263032-0 | 1.00 | 1.21 | |
| MOTORHUISKAP BFR440 | ||||
| 079 | 419307-7 | 6.00 | 7.26 | |
| TAPSCHROEF 4X18 P | ||||
| 080 | 265A48-7 | 1.00 | 1.21 | |
| SCHROEFGELEIDERSET DFR750 | ||||
| 082 | 188306-7 | 7.20 | 8.71 | |
| HANDGR.SET BFR4/5/750 (3 CON)A | ||||
| 083 | 187478-5 | 30.80 | 37.27 | |
| SLUITRING 26 BFR440 | ||||
| 084 | 267332-0 | 1.00 | 1.21 | |
| TAPSCHROEF 4X18 P | ||||
| 088 | 265A48-7 | 1.00 | 1.21 | |
| SCHROEFLINTGELEIDER R+L DFR540 | ||||
| 089 | 188310-6 | 6.00 | 7.26 | |
| SCHROEFLINTGELEIDER R+L DFR540 | ||||
| 090 | 188310-6 | 6.00 | 7.26 | |
| TORSIEVEER 4 BFR540 | ||||
| 091 | 233567-5 | 1.00 | 1.21 | |
| PEN 2 BFR540 | ||||
| 092 | 268188-4 | 1.00 | 1.21 | |
| GELEIDER DFR750 | ||||
| 093 | 310282-9 | 2.40 | 2.90 | |
| SCHROEFGELEIDERSET DFR750 | ||||
| 094 | 125810-5 | 88.00 | 106.48 | |