Hier vindt u alle beschikbare onderdelen en tekeningen van de 'Makita DJR189'. Vanaf hier kunt u direct alle gewenste onderdelen bestellen. Vele onderdelen moeten bij de fabrikant besteld worden, dit duurt afhankelijk van het merk, één tot vier weken. Alle informatie die we hebben, staat op onze website, wij kunnen u geen advies geven over wat u nodig heeft, daarvoor zult u de machine ter reparatie in moeten leveren. Let bij het bestellen op het volgende:
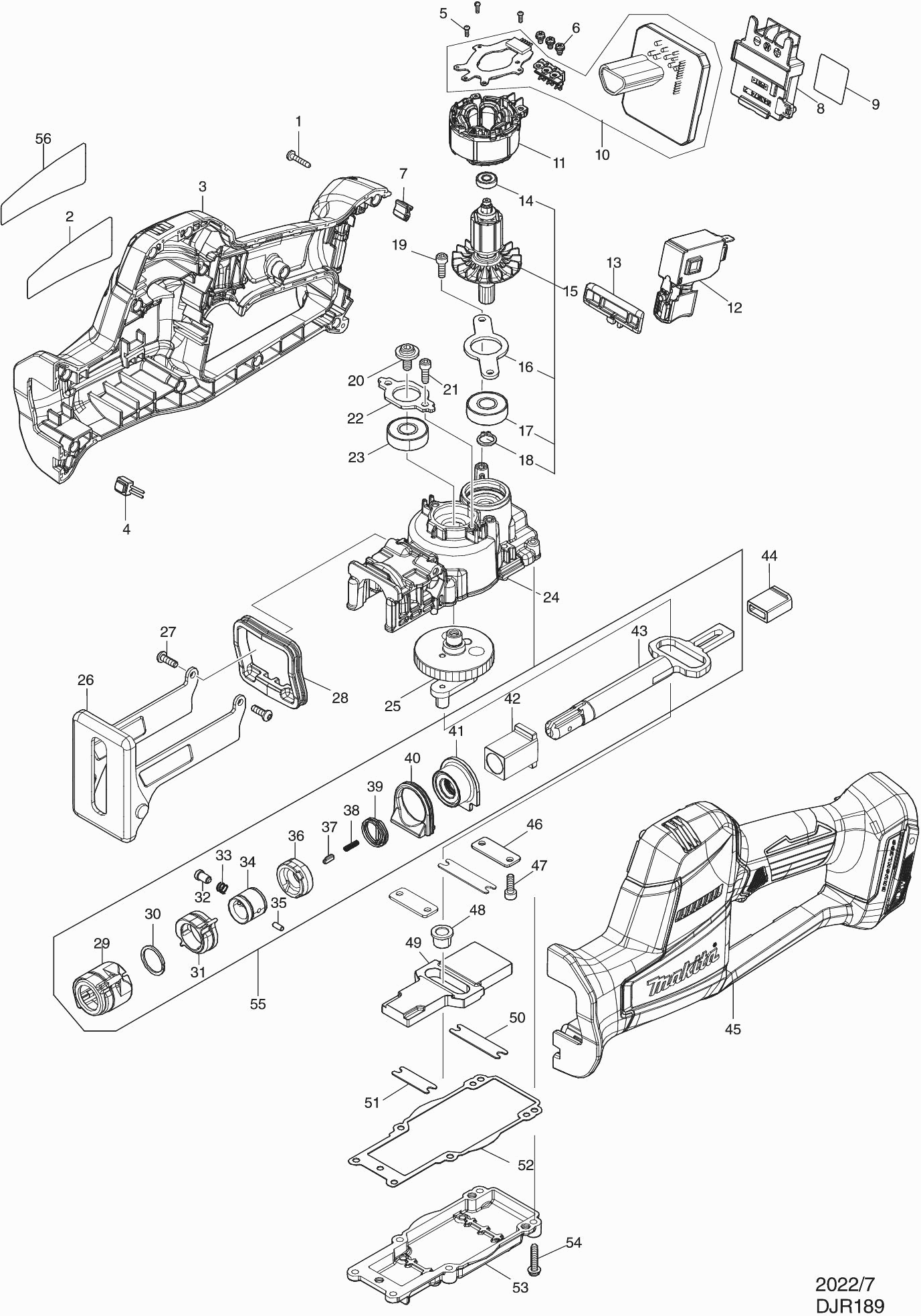
Tekeningen van de Makita DJR189
Onderdelen lijst van de Makita DJR189
| Pos. | Omschrijving | Prijs excl. BTW | Prijs incl. BTW | |
| Getoonde prijzen zijn inclusief btw | ||||
| TAPSCHROEF 3X16 A | ||||
| 001 | 266130-9 | 1.00 | 1.21 | |
| NAAMPLAAT DJR189Z | ||||
| 002 | 858X57-7 | 1.00 | 1.21 | |
| MOTORHUISSET DJR189 | ||||
| 003 | 183W50-9 | 17.60 | 21.30 | |
| RUBBER PEN 6 AC320H P | ||||
| 003C10 | 263005-3 | 1.00 | 1.21 | |
| BORGMOER M4X7MM DGP180 P | ||||
| 003C20 | 252126-6 | 1.00 | 1.21 | |
| CIRCUIT LED DJR189 | ||||
| 004 | 620K03-0 | 4.80 | 5.81 | |
| PARKER CK 2X6MM DDF483 A | ||||
| 005 | 266490-9 | 1.00 | 1.21 | |
| KRUISKOP SCHROEF M3X6 | ||||
| 006 | 652069-6 | 1.00 | 1.21 | |
| BESCHERMING BDF459 | ||||
| 007 | 424517-3 | 1.00 | 1.21 | |
| AANSLUITUNIT DHP483 | ||||
| 008 | 643874-2 | 3.60 | 4.36 | |
| LABEL SERIENR. DJR189Z | ||||
| 009 | 858X65-8 | 2.40 | 2.90 | |
| CONTROLER DJR189 | ||||
| 010 | 620K04-8 | 93.50 | 113.14 | |
| VELD DJR189 | ||||
| 011 | 629B65-1 | 9.60 | 11.62 | |
| SCHAKELAAR C3JW-4B DDF485 A | ||||
| 012 | 650006-4 | 12.10 | 14.64 | |
| A/U KNOP DJR189 | ||||
| 013 | 413L03-1 | 1.00 | 1.21 | |
| KOGELLAGER 609DDW P | ||||
| 014 | 210039-7 | 3.60 | 4.36 | |
| ANKER DJR189 | ||||
| 015 | 519770-5 | 22.00 | 26.62 | |
| LAGERBORGRING 58 DJR189Z | ||||
| 016 | 285054-0 | 1.20 | 1.45 | |
| KOGELLAGER 6000DDW HM1213C A | ||||
| 017 | 211289-7 | 13.20 | 15.97 | |
| BORGRING S-10 EM4351UH A | ||||
| 018 | 257408-1 | 1.20 | 1.45 | |
| INBUSBOUT M4X12MM P | ||||
| 019 | 265353-6 | 1.20 | 1.45 | |
| INBUSB. M5X12MM DJR189 | ||||
| 020 | 265C93-4 | 1.00 | 1.21 | |
| INBUSBOUT M4X12MM P | ||||
| 021 | 265353-6 | 1.20 | 1.45 | |
| BORGRING 33 DJR189 | ||||
| 022 | 285055-8 | 1.20 | 1.45 | |
| KOGELLAGER 6000DDW HM1213C A | ||||
| 023 | 211289-7 | 13.20 | 15.97 | |
| TANDWIELHUIS DJR189 | ||||
| 024 | 136824-9 | 12.10 | 14.64 | |
| RUBBER PEN 4 6413 A | ||||
| 024C10 | 263002-9 | 1.00 | 1.21 | |
| O-RING 26 BSS610 | ||||
| 024C20 | 213434-0 | 1.00 | 1.21 | |
| TANDWIEL CPL DJR189 | ||||
| 025 | 141L92-3 | 17.60 | 21.30 | |
| ZAAGVOET DJR189 | ||||
| 026 | 162B95-4 | 7.20 | 8.71 | |
| INBUSB. M4X12MM DJR189 | ||||
| 027 | 265C84-5 | 1.00 | 1.21 | |
| PAKKINGRING DJR189 | ||||
| 028 | 422950-3 | 1.20 | 1.45 | |
| BESCHERMKAP DJR189Z | ||||
| 029 | 422949-8 | 1.20 | 1.45 | |
| BORGRING 18 A | ||||
| 030 | 257430-8 | 1.00 | 1.21 | |
| GELEIDEBUS DJR189Z | ||||
| 031 | 313448-0 | 3.60 | 4.36 | |
| KRAAGPIN 5 DJR187 | ||||
| 032 | 256569-4 | 1.20 | 1.45 | |
| DRUKVEER 6MM BJR240 A | ||||
| 033A | 233345-3 | 1.00 | 1.21 | |
| DRUKVEER 6MM BJR240 A | ||||
| 033B | 233345-3 | 1.00 | 1.21 | |
| GELEIDINGSBUS JR3061T | ||||
| 034 | 327650-9 | 1.20 | 1.45 | |
| PEN 3MM JR002G | ||||
| 035 | 256A11-1 | 1.00 | 1.21 | |
| VERBINDINGSBUS JR001G | ||||
| 036 | 458968-8 | 1.00 | 1.21 | |
| DRUKPEN JR001G | ||||
| 037 | 310912-2 | 2.40 | 2.90 | |
| DRUKVEER 2MM JR001G | ||||
| 038 | 232472-3 | 1.00 | 1.21 | |
| TORSIEVEER 17 JR3051 | ||||
| 039 | 233594-2 | 1.00 | 1.21 | |
| RUBBEREN RING DJR189Z | ||||
| 040 | 422951-1 | 1.00 | 1.21 | |
| RINGHOUDER DJR189Z | ||||
| 041 | 141L93-1 | 2.40 | 2.90 | |
| GLIJLAGER 14 DJR189Z | ||||
| 042 | 214215-5 | 1.20 | 1.45 | |
| ASGELEIDER DJR189Z | ||||
| 043 | 162B76-8 | 18.70 | 22.63 | |
| ZAAGGELEIDER DJR189 | ||||
| 044 | 313450-3 | 1.20 | 1.45 | |
| MOTORHUISSET DJR189 | ||||
| 045 | 183W50-9 | 17.60 | 21.30 | |
| RUBBER PEN 6 AC320H P | ||||
| 045C10 | 263005-3 | 1.00 | 1.21 | |
| BORGMOER M4X7MM DGP180 P | ||||
| 045C20 | 252126-6 | 1.00 | 1.21 | |
| PLAAT A DJR189 | ||||
| 046 | 347A47-2 | 1.00 | 1.21 | |
| INBUSBOUT M4X12MM P | ||||
| 047 | 265353-6 | 1.20 | 1.45 | |
| BUS 8MM DJR189 | ||||
| 048 | 327A55-9 | 1.20 | 1.45 | |
| BALANSGEWICHT DJR189 | ||||
| 049 | 313446-4 | 4.80 | 5.81 | |
| PLAAT R DJR189 | ||||
| 050 | 347A49-8 | 1.00 | 1.21 | |
| PLAAT F DJR189 | ||||
| 051 | 347A48-0 | 1.00 | 1.21 | |
| PAKKING DJR189 | ||||
| 052 | 422952-9 | 2.40 | 2.90 | |
| TANDWIELHUISKAP DJR189 | ||||
| 053 | 312D37-2 | 4.80 | 5.81 | |
| SCHROEF 4X20 A | ||||
| 054 | 911138-5 | 1.00 | 1.21 | |
| ZAAGAS ASSY DJR189 | ||||
| 055 | 136867-1 | 34.10 | 41.26 | |
| Geen informatie beschikbaar, niet bestelbaar | ||||
| 056 | 8058N1-7 | |||