Hier vindt u alle beschikbare onderdelen en tekeningen van de 'Makita DUC256'. Vanaf hier kunt u direct alle gewenste onderdelen bestellen. Vele onderdelen moeten bij de fabrikant besteld worden, dit duurt afhankelijk van het merk, één tot vier weken. Alle informatie die we hebben, staat op onze website, wij kunnen u geen advies geven over wat u nodig heeft, daarvoor zult u de machine ter reparatie in moeten leveren. Let bij het bestellen op het volgende:
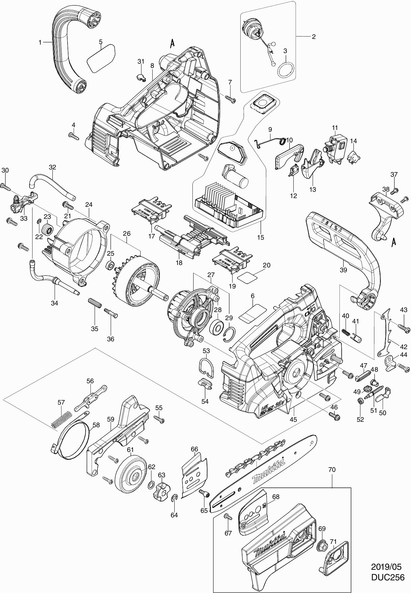
Tekeningen van de Makita DUC256
Onderdelen lijst van de Makita DUC256
| Pos. | Omschrijving | Prijs excl. BTW | Prijs incl. BTW | |
| Getoonde prijzen zijn inclusief btw | ||||
| HANDGREEP DUC256 | ||||
| 001 | 459275-2 | 6.00 | 7.26 | |
| OLIEDOP DUC353Z | ||||
| 002 | 126832-8 | 13.20 | 15.97 | |
| O-RING 25MM PS-352 P | ||||
| 003 | 213355-6 | 2.40 | 2.90 | |
| Geen informatie beschikbaar, niet bestelbaar | ||||
| 004 | 266326-2 | |||
| LABEL DUC256 P | ||||
| 005 | 819S61-1 | 2.40 | 2.90 | |
| LABEL MAKITA DUC256 | ||||
| 006 | 856A03-6 | 2.40 | 2.90 | |
| Geen informatie beschikbaar, niet bestelbaar | ||||
| 007 | 266326-2 | |||
| MOTORHUISSET DUC353Z | ||||
| 008 | 183N15-7 | 36.30 | 43.92 | |
| RUBBER PEN 6 AC320H P | ||||
| 008C10 | 263005-3 | 1.00 | 1.21 | |
| KLEP EK8100 P | ||||
| 008C20 | 424170-5 | 2.40 | 2.90 | |
| DEMPINGSINZET DUC306 | ||||
| 008C30 | 454724-4 | 1.00 | 1.21 | |
| TORSIEVEER 10 DUC353Z | ||||
| 009 | 232509-6 | 1.00 | 1.21 | |
| BLOKKEERHENDEL DUC353Z | ||||
| 010 | 459268-9 | 1.20 | 1.45 | |
| SCHAKELAAR C3JW-6BM-P DUC254Z | ||||
| 011 | 651365-9 | 19.80 | 23.96 | |
| SCHAKELAAR DUC254Z | ||||
| 012 | 632L49-0 | 9.60 | 11.62 | |
| SCHAKELHENDEL DUC353Z | ||||
| 013 | 459267-1 | 1.20 | 1.45 | |
| SCHAKELAAR DUC254Z | ||||
| 014 | 632L48-2 | 13.20 | 15.97 | |
| Geen informatie beschikbaar, niet bestelbaar | ||||
| 015 | 140K82-7 | |||
| LABEL INDICATIE DUC306 | ||||
| 015C10 | 819R38-0 | 2.40 | 2.90 | |
| LABEL SCHAKEL DUC306 | ||||
| 015C20 | 819S81-5 | 2.40 | 2.90 | |
| AANSLUITUNIT DHP483 | ||||
| 017 | 643874-2 | 3.60 | 4.36 | |
| MIDDENHUIS DUC353Z DUC306 P | ||||
| 018 | 140K81-9 | 2.40 | 2.90 | |
| RUBBER PEN 6 AC320H P | ||||
| 018C10 | 263005-3 | 1.00 | 1.21 | |
| AANSLUITUNIT DHP483 | ||||
| 019 | 643874-2 | 3.60 | 4.36 | |
| LABEL SERIENR DUC256 | ||||
| 020 | 856A05-2 | 2.40 | 2.90 | |
| SCHROEF 5X20 | ||||
| 021 | 911228-4 | 1.00 | 1.21 | |
| STOPRING E-4 | ||||
| 022 | 961011-9 | 1.00 | 1.21 | |
| WORMTANDWIEL DUC353Z | ||||
| 023 | 226884-0 | 1.20 | 1.45 | |
| MOTORHUIS DUC353Z | ||||
| 024 | 459276-0 | 6.00 | 7.26 | |
| KOGELLAGER 696ZZ A | ||||
| 025 | 210026-6 | 2.40 | 2.90 | |
| MOTOR 18V DUC353Z | ||||
| 026 | 519576-1 | 93.50 | 113.14 | |
| VELD 18V DUC353Z DUC306 P | ||||
| 027 | 529420-4 | 39.60 | 47.92 | |
| KOGELLAGER 6000DDW HM1213C A | ||||
| 028 | 211289-7 | 13.20 | 15.97 | |
| BORGRING R-26 A | ||||
| 029 | 962105-3 | 1.00 | 1.21 | |
| Geen informatie beschikbaar, niet bestelbaar | ||||
| 030 | 266326-2 | |||
| AFDEKKAP DUC353Z | ||||
| 031 | 422467-6 | 1.00 | 1.21 | |
| OLIELEIDING 3X100MM UDC353Z | ||||
| 032 | 422451-1 | 1.20 | 1.45 | |
| OLIEPOMP ES-SERIE | ||||
| 033 | 142156-4 | 24.20 | 29.28 | |
| OLIELEIDING 3X130MM UDC353Z | ||||
| 034 | 422452-9 | 2.40 | 2.90 | |
| DRUKVEER DCS230T | ||||
| 035 | 231975-4 | 1.00 | 1.21 | |
| ZUIGKOP DUC355/EA3201S A | ||||
| 036 | 452666-6 | 1.00 | 1.21 | |
| SCHROEF 4X12 A | ||||
| 037 | 911116-5 | 1.00 | 1.21 | |
| BORGPLAAT HANDGREEPKAP DUC353Z | ||||
| 038 | 459270-2 | 2.40 | 2.90 | |
| HANDGREEPKAP CPL DUC353Z | ||||
| 039 | 140K79-6 | 8.40 | 10.16 | |
| LABEL WAARSCHUWING DUC306 | ||||
| 039C10 | 819S75-0 | 2.40 | 2.90 | |
| DRUKVEER 6 EA3201S A | ||||
| 040 | 234210-9 | 1.00 | 1.21 | |
| GELEIDER EA3200S * | ||||
| 041 | 313212-9 | 1.00 | 1.21 | |
| BOOMAANSLAG UC003G | ||||
| 042 | 346809-9 | 3.60 | 4.36 | |
| SCHROEF 4X20 HR2811 P | ||||
| 043 | 266420-0 | 1.00 | 1.21 | |
| KETTINGVANGER DUC353Z | ||||
| 044 | 347516-7 | 1.20 | 1.45 | |
| MOTORHUISSET DUC353Z | ||||
| 045 | 183N15-7 | 36.30 | 43.92 | |
| RUBBER PEN 6 AC320H P | ||||
| 045C10 | 263005-3 | 1.00 | 1.21 | |
| KLEP EK8100 P | ||||
| 045C20 | 424170-5 | 2.40 | 2.90 | |
| DEMPINGSINZET DUC306 | ||||
| 045C30 | 454724-4 | 1.00 | 1.21 | |
| SCHROEF 5X20 | ||||
| 046 | 911228-4 | 1.00 | 1.21 | |
| DOORVOER DUC353Z | ||||
| 047 | 422466-8 | 1.00 | 1.21 | |
| AANDRIJFTANDWIEL AS1925 | ||||
| 048 | 227620-7 | 1.20 | 1.45 | |
| TANDWIEL 14 PS254C | ||||
| 049 | 227634-6 | 3.60 | 4.36 | |
| SPANPLAAT DUC353Z | ||||
| 050 | 347517-5 | 2.40 | 2.90 | |
| STELSCHROEF DUC353Z | ||||
| 051 | 327317-9 | 2.40 | 2.90 | |
| TANDWIEL 14 UC30/35/4020A | ||||
| 052 | 227496-2 | 4.80 | 5.81 | |
| HAAKCLIP DUC254C | ||||
| 053 | 281222-3 | 1.00 | 1.21 | |
| HAAKSTEUN DUC353Z | ||||
| 054 | 347514-1 | 1.00 | 1.21 | |
| Geen informatie beschikbaar, niet bestelbaar | ||||
| 055 | 266326-2 | |||
| TUSSENPLAAT DUC254C | ||||
| 056 | 140A74-6 | 3.60 | 4.36 | |
| DRUKVEER 7 AS1925 P | ||||
| 057 | 232452-9 | 1.00 | 1.21 | |
| REMBAND DUC353Z | ||||
| 058 | 347515-9 | 4.80 | 5.81 | |
| MOTORHUISKAP R DUC353Z | ||||
| 059 | 459273-6 | 3.60 | 4.36 | |
| REMTROMMEL DUC353Z | ||||
| 061 | 162638-0 | 10.80 | 13.07 | |
| O-RING 10 DUC353 | ||||
| 062 | 213060-5 | 1.00 | 1.21 | |
| KETTINGWIEL 6 UC353D | ||||
| 063 | 221464-7 | 2.40 | 2.90 | |
| STOPRING E-7 | ||||
| 064 | 961013-5 | 1.00 | 1.21 | |
| INBUSBOUT M5X12MM DUC254C | ||||
| 065 | 266905-6 | 1.00 | 1.21 | |
| GELEIDEPLAAT L DUC353Z | ||||
| 066 | 347533-7 | 1.20 | 1.45 | |
| TAPSCHROEF 4X12 UC003 A | ||||
| 067 | 265C54-4 | 1.00 | 1.21 | |
| GELEIDEPLAAT R DUC353Z | ||||
| 068 | 347534-5 | 1.20 | 1.45 | |
| MOER M/FLENS DUC306 | ||||
| 069 | 162494-8 | 3.60 | 4.36 | |
| AFDEKKAP TBV ZWAARD DUC353Z | ||||
| 070 | 136138-6 | 13.20 | 15.97 | |
| MOERAFDEKKAP | ||||
| 071 | 459278-6 | 1.20 | 1.45 | |