Hier vindt u alle beschikbare onderdelen en tekeningen van de 'Makita DUR191L'. Vanaf hier kunt u direct alle gewenste onderdelen bestellen. Vele onderdelen moeten bij de fabrikant besteld worden, dit duurt afhankelijk van het merk, één tot vier weken. Alle informatie die we hebben, staat op onze website, wij kunnen u geen advies geven over wat u nodig heeft, daarvoor zult u de machine ter reparatie in moeten leveren. Let bij het bestellen op het volgende:
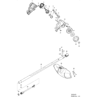
Tekeningen van de Makita DUR191L
Onderdelen lijst van de Makita DUR191L
| Pos. | Omschrijving | Prijs excl. BTW | Prijs incl. BTW | |
| Getoonde prijzen zijn inclusief btw | ||||
| MOTORHUISSET DUR190U | ||||
| 001 | 183P06-0 | 8.40 | 10.16 | |
| KRUISKOP SCHROEF M3X6 | ||||
| 002 | 652069-6 | 1.00 | 1.21 | |
| VELD DUR188 | ||||
| 003 | 629248-1 | 18.70 | 22.63 | |
| Geen informatie beschikbaar, niet bestelbaar | ||||
| 004 | 210215-3 | |||
| MOTOR ASSY DUR190 | ||||
| 005 | 510449-1 | 23.10 | 27.95 | |
| KOGELLAGER 609ZZ A | ||||
| 006 | 210049-4 | 3.60 | 4.36 | |
| O-RING 24 HR2440/50 A | ||||
| 007 | 213380-7 | 1.00 | 1.21 | |
| Geen informatie beschikbaar, niet bestelbaar | ||||
| 008 | 210215-3 | |||
| TANDWIEL 26 DUR188 | ||||
| 009 | 221492-2 | 3.60 | 4.36 | |
| AS DUR190 | ||||
| 010 | 327542-2 | 3.60 | 4.36 | |
| KOGELLAGER 6001DW P | ||||
| 011 | 211131-2 | 9.60 | 11.62 | |
| KRAAGPIN 4MM DGA505 | ||||
| 012 | 256546-6 | 1.00 | 1.21 | |
| O-RING 5 | ||||
| 013 | 213021-5 | 1.00 | 1.21 | |
| MOTORHUISSET DUR190U | ||||
| 014 | 183P06-0 | 8.40 | 10.16 | |
| DRUKVEER 8 9555/57/58 A | ||||
| 015 | 233376-2 | 1.00 | 1.21 | |
| AFDEKKAP DUR190 | ||||
| 016 | 412408-0 | 1.00 | 1.21 | |
| Geen informatie beschikbaar, niet bestelbaar | ||||
| 017 | 266326-2 | |||
| DRAAISCHIJF DUR190 | ||||
| 018 | 140T23-7 | 6.00 | 7.26 | |
| FLENSRING DUR190 | ||||
| 019 | 347668-4 | 2.40 | 2.90 | |
| MOER M10 MS245.4UE A | ||||
| 020 | 264025-0 | 2.40 | 2.90 | |
| INBUSBOUT M5X25 EM404MP | ||||
| 021 | 251513-6 | 1.00 | 1.21 | |
| MONTAGEBEUGEL DUR190 | ||||
| 022 | 347667-6 | 2.40 | 2.90 | |
| RUBBER BUS 24 AT1831 | ||||
| 023 | 424567-8 | 2.40 | 2.90 | |
| Geen informatie beschikbaar, niet bestelbaar | ||||
| 024 | 168526-9 | |||
| SNIJMES DUR364L | ||||
| 025 | 346855-2 | 3.60 | 4.36 | |
| MAAIKAP DUR190 | ||||
| 026 | 412392-9 | 8.40 | 10.16 | |
| Geen informatie beschikbaar, niet bestelbaar | ||||
| 027 | 266326-2 | |||
| VOEDINGSKABELSET A DUR191L | ||||
| 028 | 699088-1 | 23.10 | 27.95 | |
| O-RING 18 HM0871C | ||||
| 029 | 213275-4 | 1.00 | 1.21 | |
| BORGPIN B DUR191L | ||||
| 030 | 326880-9 | 1.00 | 1.21 | |
| AFDEKKAP DUR191L | ||||
| 031 | 454304-6 | 6.00 | 7.26 | |
| DRUKVEER 3 DUR191L | ||||
| 032 | 233604-5 | 1.20 | 1.45 | |
| VASTZETKNOP DUR191L | ||||
| 033 | 454303-8 | 6.00 | 7.26 | |
| DRUKVEER 2 BFR540/6844 | ||||
| 034 | 233211-4 | 1.00 | 1.21 | |
| INBUSBOUT M6X40 | ||||
| 035 | 265596-0 | 1.00 | 1.21 | |
| INBUSBOUT M6X12 | ||||
| 036 | 922311-2 | 1.00 | 1.21 | |
| VERBINDINGSBUS 24 B DUR191L P | ||||
| 037 | 319531-1 | 22.00 | 26.62 | |
| Geen informatie beschikbaar, niet bestelbaar | ||||
| 037-1 | 312D65-7 | |||
| ZESKANTBOUT M6X25MM A | ||||
| 038 | 266087-4 | 1.00 | 1.21 | |
| VEER 2,5X25 DUR191L | ||||
| 039 | 258010-3 | 1.00 | 1.21 | |
| DUNNE RING 6 RT0700 | ||||
| 040 | 253332-6 | 1.00 | 1.21 | |
| O-RING 11 | ||||
| 041 | 213105-9 | 1.00 | 1.21 | |
| ZESKANTMOER M6 SP6000/BSS500 | ||||
| 042 | 252159-1 | 2.40 | 2.90 | |
| ZESKANTMOER M6 | ||||
| 043 | 931302-2 | 1.00 | 1.21 | |
| STOPRING E-8 A | ||||
| 044 | 961014-3 | 1.00 | 1.21 | |
| HANDEL BUX361Z | ||||
| 045 | 272268-0 | 2.40 | 2.90 | |
| O-RING 18 HM0871C | ||||
| 046 | 213275-4 | 1.00 | 1.21 | |
| VOEDINGSKABELSET B DUR191L | ||||
| 047 | 699087-3 | 28.60 | 34.61 | |
| STEEL CPL A DUR191 | ||||
| 048 | 140T22-9 | 10.80 | 13.07 | |
| WAARSCHUWINGLABEL DUR368A/L | ||||
| 048C10 | 819N87-3 | 2.40 | 2.90 | |
| MAKITA LOGO LABEL EBH253U | ||||
| 048C20 | 819312-8 | 2.40 | 2.90 | |
| HENDEL COMPLEET EM2653LH | ||||
| 049 | 143695-7 | 7.20 | 8.71 | |
| SCHROEF 4X16 A | ||||
| 049C10 | 911526-6 | 1.00 | 1.21 | |
| BEUGELGREEP EM2653LH P | ||||
| 050 | 457937-6 | 9.60 | 11.62 | |
| HANDGREEPBEVESTIGING 29MM | ||||
| 051 | 347011-7 | 2.40 | 2.90 | |
| RUBBER PEN 6 AC320H P | ||||
| 052 | 263005-3 | 1.00 | 1.21 | |
| STEEL B DUR191L | ||||
| 053 | 327546-4 | 10.80 | 13.07 | |
| INBUSBOUT M5X12 | ||||
| 054 | 922212-4 | 1.00 | 1.21 | |
| AFSTANDHOUDER BBC300L | ||||
| 055 | 451601-1 | 2.40 | 2.90 | |
| HANGER DUR188 | ||||
| 056 | 347116-3 | 1.20 | 1.45 | |
| Geen informatie beschikbaar, niet bestelbaar | ||||
| 057 | 922228-9 | |||
| INBUSBOUT M5X12 | ||||
| 058 | 922212-4 | 1.00 | 1.21 | |
| BUISBEUGEL 24 ER2650LH | ||||
| 060 | 346248-3 | 1.20 | 1.45 | |
| Geen informatie beschikbaar, niet bestelbaar | ||||
| 061 | 266326-2 | |||
| HANDGREEP DUR190L | ||||
| 062 | 183P04-4 | 11.00 | 13.31 | |
| ZESKANTMOER M5 A | ||||
| 062C10 | 931202-6 | 1.00 | 1.21 | |
| CONTROLLER SUB DUR190 | ||||
| 063 | 140T18-0 | 19.80 | 23.96 | |
| LABEL A/U DUR190L | ||||
| 063C10 | 8010M7-8 | 2.40 | 2.90 | |
| INDICATIELABEL DUR190L | ||||
| 063C20 | 8010M8-6 | 2.40 | 2.90 | |
| SCHAKELAAR DUR364L | ||||
| 064 | 632E26-0 | 11.00 | 13.31 | |
| DEBLOKKEER HANDEL DUR364L* | ||||
| 065 | 455629-1 | 3.60 | 4.36 | |
| TORSIEVEER 9 DUH/DUR | ||||
| 066 | 233621-5 | 1.00 | 1.21 | |
| SCHAKELAARHANDEL DUR364L* | ||||
| 067 | 455625-9 | 3.60 | 4.36 | |
| TORSIEVEER 10 AT-1831C | ||||
| 068 | 233612-6 | 2.40 | 2.90 | |
| KLEMSTRIP 4350T | ||||
| 069 | 687260-7 | 1.00 | 1.21 | |
| Geen informatie beschikbaar, niet bestelbaar | ||||
| 070 | 266326-2 | |||
| DRAADBOOM DUR190L | ||||
| 071 | 699149-7 | 8.40 | 10.16 | |
| HANDGREEP DUR190L | ||||
| 072 | 183P04-4 | 11.00 | 13.31 | |
| ZESKANTMOER M5 A | ||||
| 072C10 | 931202-6 | 1.00 | 1.21 | |
| BEHUIZINGSET DUR190L P | ||||
| 073 | 183P07-8 | 8.40 | 10.16 | |
| RUBBER PEN 6 AC320H P | ||||
| 073C10 | 263005-3 | 1.00 | 1.21 | |
| Geen informatie beschikbaar, niet bestelbaar | ||||
| 074 | 266326-2 | |||
| CONTROLLER DUR190L P | ||||
| 075 | 620C56-1 | 100.10 | 121.12 | |
| KLEMSTRIP 4350T | ||||
| 076 | 687260-7 | 1.00 | 1.21 | |
| Geen informatie beschikbaar, niet bestelbaar | ||||
| 077 | 266326-2 | |||
| AANSLUITUNIT DJR186 P | ||||
| 079 | 644809-6 | 4.80 | 5.81 | |
| BEHUIZINGSET DUR190L P | ||||
| 080 | 183P07-8 | 8.40 | 10.16 | |
| RUBBER PEN 6 AC320H P | ||||
| 080C10 | 263005-3 | 1.00 | 1.21 | |
| Geen informatie beschikbaar, niet bestelbaar | ||||
| 081 | 266326-2 | |||
| NAAMPLAAT DUR191L | ||||
| 082 | 857D26-5 | 1.00 | 1.21 | |
| Geen informatie beschikbaar, niet bestelbaar | ||||
| 083 | 857D32-0 | |||