Hier vindt u alle beschikbare onderdelen en tekeningen van de 'Makita EUM460'. Vanaf hier kunt u direct alle gewenste onderdelen bestellen. Vele onderdelen moeten bij de fabrikant besteld worden, dit duurt afhankelijk van het merk, één tot vier weken. Alle informatie die we hebben, staat op onze website, wij kunnen u geen advies geven over wat u nodig heeft, daarvoor zult u de machine ter reparatie in moeten leveren. Let bij het bestellen op het volgende:
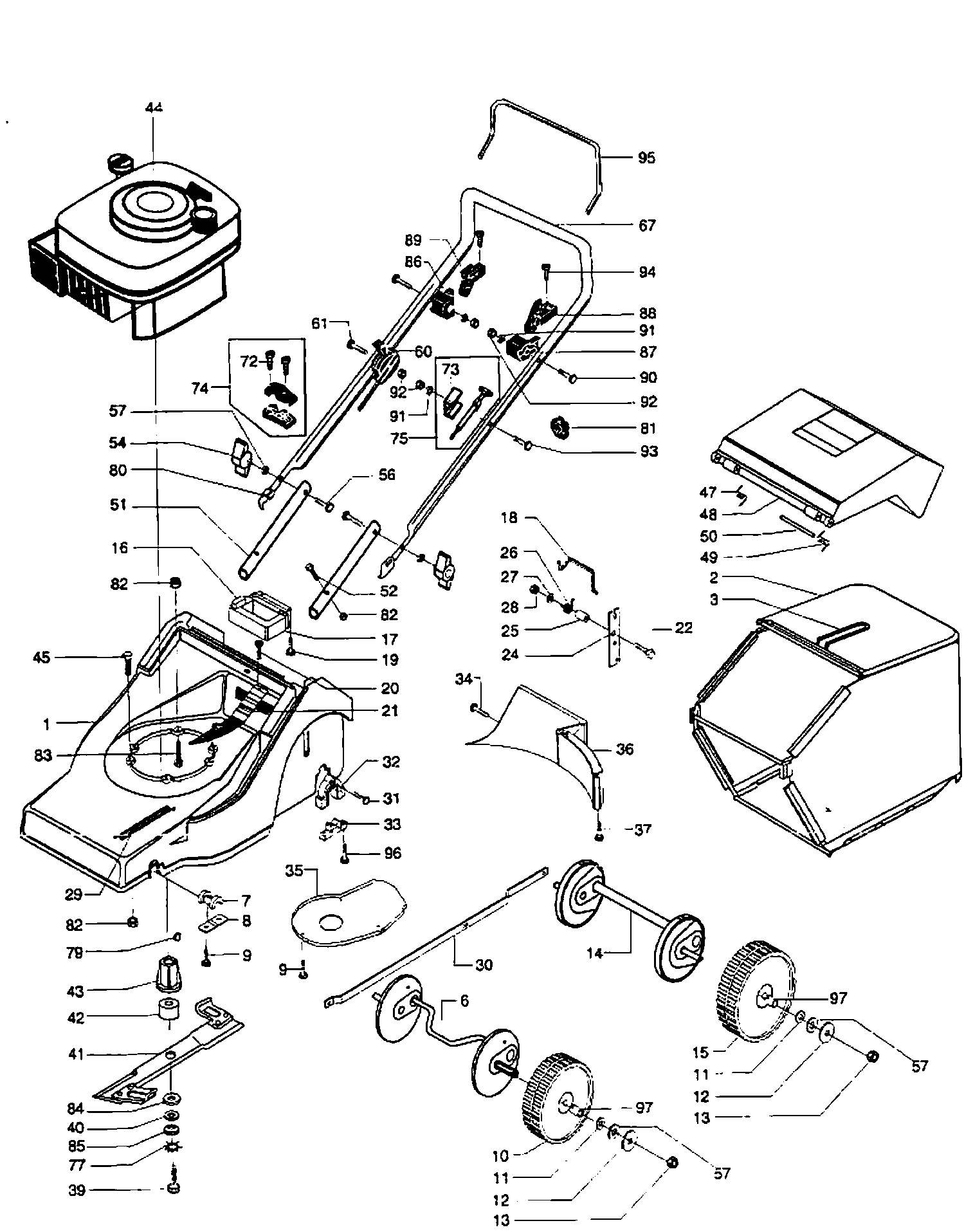
Tekeningen van de Makita EUM460
Onderdelen lijst van de Makita EUM460
| Pos. | Omschrijving | Prijs excl. BTW | Prijs incl. BTW | |
| Getoonde prijzen zijn inclusief btw | ||||
| Geen informatie beschikbaar, niet bestelbaar | ||||
| 001 | 663548199 | |||
| Niet meer leverbaar, geen vervanging | ||||
| 002 | 661301216 | |||
| Geen informatie beschikbaar, niet bestelbaar | ||||
| 003 | 661301092 | |||
| Niet meer leverbaar, geen vervanging | ||||
| 006 | 663526756 | |||
| Niet meer leverbaar, geen vervanging | ||||
| 007 | 661300049 | |||
| AFDEKPLAAT UM400+460+EUM400 * | ||||
| 008 | 661300101 | 2.40 | 2.90 | |
| Geen informatie beschikbaar, niet bestelbaar | ||||
| 009 | 663510468 | |||
| Geen informatie beschikbaar, niet bestelbaar | ||||
| 010 | 661300022 | |||
| RING 6,4X17X3 VZ * | ||||
| 011 | 663701429 | 2.40 | 2.90 | |
| AFDEKKAP UM460/EUM46/61/530 # | ||||
| 012 | 661062561 | 13.83 | 16.73 | |
| Geen informatie beschikbaar, niet bestelbaar | ||||
| 013 | 0164060000 | |||
| ACHTERAS EUM460 * | ||||
| 014 | 661300062 | 48.40 | 58.56 | |
| Geen informatie beschikbaar, niet bestelbaar | ||||
| 015 | 661300055 | |||
| Geen informatie beschikbaar, niet bestelbaar | ||||
| 016 | 661300020 | |||
| Geen informatie beschikbaar, niet bestelbaar | ||||
| 017 | 661300019 | |||
| STANG UM460+EUM460+461 * | ||||
| 018 | 661300007 | 14.30 | 17.30 | |
| Geen informatie beschikbaar, niet bestelbaar | ||||
| 019 | 661112171 | |||
| Geen informatie beschikbaar, niet bestelbaar | ||||
| 020 | 663543556 | |||
| Geen informatie beschikbaar, niet bestelbaar | ||||
| 021 | 661300017 | |||
| Geen informatie beschikbaar, niet bestelbaar | ||||
| 022 | 663702812 | |||
| Geen informatie beschikbaar, niet bestelbaar | ||||
| 023 | 663543556 | |||
| HEFBOOM UM460+EUM460+461+530 * | ||||
| 024 | 661300048 | 26.40 | 31.94 | |
| Geen informatie beschikbaar, niet bestelbaar | ||||
| 025 | 661300010 | |||
| TERUGSTELVEER UM460+EUM460 * | ||||
| 026 | 661300095 | 3.60 | 4.36 | |
| RING A 10,5 VZ 125 * | ||||
| 027 | 663700139 | 1.20 | 1.45 | |
| Geen informatie beschikbaar, niet bestelbaar | ||||
| 028 | 663700122 | |||
| Niet meer leverbaar, geen vervanging | ||||
| 029 | 661300820 | |||
| TREKSTANG UM460+EUM460+461 * | ||||
| 030 | 661300016 | 46.20 | 55.90 | |
| Geen informatie beschikbaar, niet bestelbaar | ||||
| 031 | 663337916 | |||
| ASHOUDER (BOVEN) UM/EUM460 * | ||||
| 032 | 661300050 | 7.20 | 8.71 | |
| ASHOUDER (ONDER) UM/EUM460 * | ||||
| 033 | 661300051 | 4.80 | 5.81 | |
| Geen informatie beschikbaar, niet bestelbaar | ||||
| 034 | 663337916 | |||
| Niet meer leverbaar, geen vervanging | ||||
| 035 | 661290288 | |||
| STOOTPLAAT UM/EUM460/61 * | ||||
| 036 | 661300006 | 51.70 | 62.56 | |
| TORX SCHROEF 6X20 A | ||||
| 037 | 908006205 | 1.20 | 1.45 | |
| CENTREERSCHRIJF (ASG;25MM) * | ||||
| 039A | 661112181 | 4.80 | 5.81 | |
| Geen informatie beschikbaar, niet bestelbaar | ||||
| 039B | 663512512 | |||
| SCHIJF 50X5 (ASGAT 20) * | ||||
| 040 | 663316913 | 6.00 | 7.26 | |
| Geen informatie beschikbaar, niet bestelbaar | ||||
| 041A | 661013700 | |||
| MES 46CM (ASGAT 20) | ||||
| 041B | 663513619 | 71.50 | 86.52 | |
| Niet meer leverbaar, geen vervanging | ||||
| 042A | 661112061 | |||
| AFSTANDSRING 25MM (ASG.20) * | ||||
| 042B | 663548192 | 42.90 | 51.91 | |
| MESHOUDER (ASGAT 25) * | ||||
| 043A | 661300056 | 39.60 | 47.92 | |
| MESHOUDER (ASGAT 20) * | ||||
| 043B | 663512427 | 28.60 | 34.61 | |
| Geen informatie beschikbaar, niet bestelbaar | ||||
| 045 | 663375953 | |||
| Geen informatie beschikbaar, niet bestelbaar | ||||
| 047 | 661301722 | |||
| Geen informatie beschikbaar, niet bestelbaar | ||||
| 048 | 661524725 | |||
| Geen informatie beschikbaar, niet bestelbaar | ||||
| 049 | 661301731 | |||
| PEN UM460+EUM460+461 * | ||||
| 050 | 661301126 | 8.40 | 10.16 | |
| DUWBOOM ONDER 360MM EUM460 * | ||||
| 051 | 663548169 | 34.10 | 41.26 | |
| Geen informatie beschikbaar, niet bestelbaar | ||||
| 052 | 663704193 | |||
| Geen informatie beschikbaar, niet bestelbaar | ||||
| 054 | 663544757 | |||
| Geen informatie beschikbaar, niet bestelbaar | ||||
| 056 | 663702854 | |||
| RING A 6,4 VZ 9021 * | ||||
| 057 | 663700148 | 1.00 | 1.21 | |
| Geen informatie beschikbaar, niet bestelbaar | ||||
| 065 | 663333925 | |||
| GAS KABEL * | ||||
| 066 | 663333935 | 11.00 | 13.31 | |
| DUWBOOM BOVEN * | ||||
| 067 | 663548173 | 69.30 | 83.85 | |
| Geen informatie beschikbaar, niet bestelbaar | ||||
| 072 | 663373264 | |||
| Geen informatie beschikbaar, niet bestelbaar | ||||
| 073 | 663518925 | |||
| Niet meer leverbaar, geen vervanging | ||||
| 074 | 663548217 | |||
| Niet meer leverbaar, geen vervanging | ||||
| 075 | 663512607 | |||
| Niet meer leverbaar, geen vervanging | ||||
| 077A | 661301845 | |||
| Niet meer leverbaar, geen vervanging | ||||
| 077B | 663700202 | |||
| SPIE 4X6,5 * | ||||
| 079 | 663700390 | 1.20 | 1.45 | |
| BESCHERMKAP * | ||||
| 080 | 663543411 | 4.80 | 5.81 | |
| KLEM D=22 9005 * | ||||
| 081 | 663505322 | 2.40 | 2.90 | |
| Geen informatie beschikbaar, niet bestelbaar | ||||
| 082 | 663500073 | |||
| Geen informatie beschikbaar, niet bestelbaar | ||||
| 083 | 663700303 | |||
| CENTREERPL (ASGAT 25) * | ||||
| 084A | 661062551 | 8.40 | 10.16 | |
| VEILIGHEIDSRING (ASGAT 20) * | ||||
| 084B | 663300161 | 13.20 | 15.97 | |
| Niet meer leverbaar, geen vervanging | ||||
| 085A | 661301845 | |||
| VEERRING (ASGAT 20) * | ||||
| 085B | 663700656 | 4.80 | 5.81 | |
| STEUN R * | ||||
| 086 | 663512577 | 1.20 | 1.45 | |
| STEUN L * | ||||
| 087 | 663512578 | 1.20 | 1.45 | |
| OPNAMEBEUGEL LINKS * | ||||
| 088 | 663512576 | 3.60 | 4.36 | |
| OPNAMEBEUGEL R * | ||||
| 089 | 663512723 | 1.20 | 1.45 | |
| Geen informatie beschikbaar, niet bestelbaar | ||||
| 090 | 663702873 | |||
| RING A 6,4 VZ 9021 * | ||||
| 091 | 663700148 | 1.00 | 1.21 | |
| Geen informatie beschikbaar, niet bestelbaar | ||||
| 092 | 0164060000 | |||
| Geen informatie beschikbaar, niet bestelbaar | ||||
| 093 | 663703703 | |||
| Geen informatie beschikbaar, niet bestelbaar | ||||
| 094 | 663703704 | |||
| DODEMANSHENDEL * | ||||
| 095 | 663548208 | 46.20 | 55.90 | |
| Geen informatie beschikbaar, niet bestelbaar | ||||
| 096 | 663543551 | |||
| Niet meer leverbaar, geen vervanging | ||||
| 097 | 663510923 | |||
| Geen informatie beschikbaar, niet bestelbaar | ||||
| 098 | 663531499 | |||
| Geen informatie beschikbaar, niet bestelbaar | ||||
| 099 | 663336375 | |||
| RING 4,3MM VZ 9021 * | ||||
| 100 | 663700426 | 1.00 | 1.21 | |