Hier vindt u alle beschikbare onderdelen en tekeningen van de 'Makita SR2600'. Vanaf hier kunt u direct alle gewenste onderdelen bestellen. Vele onderdelen moeten bij de fabrikant besteld worden, dit duurt afhankelijk van het merk, één tot vier weken. Alle informatie die we hebben, staat op onze website, wij kunnen u geen advies geven over wat u nodig heeft, daarvoor zult u de machine ter reparatie in moeten leveren. Let bij het bestellen op het volgende:
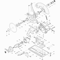
Tekeningen van de Makita SR2600
Onderdelen lijst van de Makita SR2600
| Pos. | Omschrijving | Prijs excl. BTW | Prijs incl. BTW | |
| Getoonde prijzen zijn inclusief btw | ||||
| INLEGSPIE 5 | ||||
| 001 | 254032-1 | 2.40 | 2.90 | |
| VERENDE BESCHERMKAP SR2600 * | ||||
| 002 | 168123-1 | 117.70 | 142.42 | |
| FLENSBOUT M8X17 A | ||||
| 003 | 251697-0 | 11.00 | 13.31 | |
| Niet meer leverbaar, geen vervanging | ||||
| 004 | 342740-7 | |||
| Geen informatie beschikbaar, niet bestelbaar | ||||
| 005 | 154313-2 | |||
| STOFAFDICHTING 12 | ||||
| 006 | 213102-5 | 1.20 | 1.45 | |
| KOGELLAGER 6201DDW A | ||||
| 007 | 211129-9 | 8.40 | 10.16 | |
| O-RING 32 | ||||
| 008 | 213459-4 | 1.20 | 1.45 | |
| SLUITRING 25 SR2600 | ||||
| 009 | 341736-5 | 1.20 | 1.45 | |
| O-RING 29 AF500HP/SR2600 | ||||
| 010 | 213412-0 | 1.20 | 1.45 | |
| NAALDLAGER 1010 | ||||
| 011 | 212052-1 | 6.00 | 7.26 | |
| BORGRING S-17 | ||||
| 012 | 961057-5 | 1.00 | 1.21 | |
| Niet meer leverbaar, geen vervanging | ||||
| 013 | 221698-2 | |||
| Geen informatie beschikbaar, niet bestelbaar | ||||
| 014 | 315380-4 | |||
| SCHROEF M5X20 A | ||||
| 015 | 911234-9 | 1.00 | 1.21 | |
| BORGRING S-48 | ||||
| 016 | 961203-0 | 1.20 | 1.45 | |
| Geen informatie beschikbaar, niet bestelbaar | ||||
| 017 | 257084-1 | |||
| KOGELLAGER 6203 | ||||
| 018 | 211278-2 | 9.60 | 11.62 | |
| ZAAGAS SR2600 | ||||
| 019 | 321402-0 | 28.60 | 34.61 | |
| LAGERBORGING 22-41 SR2600 | ||||
| 020 | 285821-3 | 2.40 | 2.90 | |
| BINNENFLENS 40 SR2600 N A | ||||
| 021 | 224360-8 | 10.80 | 13.07 | |
| BUITENFLENS 40 LS0714FL | ||||
| 022 | 224275-9 | 7.20 | 8.71 | |
| FLENSBOUT M8X20 | ||||
| 023 | 251644-1 | 2.40 | 2.90 | |
| ISOLATIERING A | ||||
| 024 | 681625-5 | 1.20 | 1.45 | |
| KOGELLAGER 608LLB A | ||||
| 025 | 210043-6 | 2.40 | 2.90 | |
| VELD SR2600 # | ||||
| 026 | 524748-5 | 72.60 | 87.85 | |
| STATORVEERTJE CB5 | ||||
| 026A | 654020-2 | 1.20 | 1.45 | |
| KLEMBUS 2MM TBV STAT.VEER | ||||
| 026B | 654502-4 | 1.00 | 1.21 | |
| HANDGREEPDEKSEL SR2600 | ||||
| 027 | 410233-3 | 8.40 | 10.16 | |
| SCHROEF 4X18 SR2600 | ||||
| 028 | 911131-9 | 1.00 | 1.21 | |
| KLEMSTRIP SR2600 | ||||
| 029 | 687031-2 | 1.00 | 1.21 | |
| CONDENSATOR 5704R 0,22UF P | ||||
| 030 | 645190-8 | 2.40 | 2.90 | |
| Kabeltule 10-90 A | ||||
| 031 | 682505-8 | 1.67 | 2.02 | |
| NETSNOER 2X1.50 4.0MTR A | ||||
| 032 | 695123-3 | 22.00 | 26.62 | |
| Niet meer leverbaar, geen vervanging | ||||
| 033 | 157249-4 | |||
| KRUISKOP SCHROEF M4X28 A | ||||
| 034 | 911151-3 | 1.00 | 1.21 | |
| TREKVEER 5 SR2600 | ||||
| 035 | 231781-7 | 2.40 | 2.90 | |
| SCHROEF 5X50 | ||||
| 038 | 911273-9 | 1.00 | 1.21 | |
| SCHROEF 5X65 A | ||||
| 039 | 911290-9 | 1.20 | 1.45 | |
| KOOLBORSTELHOUDERDOP A | ||||
| 040 | 643650-4 | 1.20 | 1.45 | |
| KOOLBORSTEL SET CB-153 A | ||||
| 041 | 194985-1 | 4.80 | 5.81 | |
| SCHAKELAAR SW-51 6511314 A | ||||
| 042 | 651131-4 | 22.00 | 26.62 | |
| SLOTBOUT M8X30 | ||||
| 043 | 265845-5 | 1.20 | 1.45 | |
| GLIJSTRIP SR2600 | ||||
| 044 | 315628-4 | 13.20 | 15.97 | |
| VERZONKEN SCHROEF M5X14 | ||||
| 045 | 912217-2 | 1.00 | 1.21 | |
| Geen informatie beschikbaar, niet bestelbaar | ||||
| 046 | 816166-4 | |||
| Hoekstrip Sr2600 | ||||
| 047 | 315629-2 | 23.06 | 27.90 | |
| SLUITRING M8 A | ||||
| 048 | 941202-8 | 1.00 | 1.21 | |
| VLEUGELMOER M8 KST | ||||
| 049 | 252626-6 | 6.00 | 7.26 | |
| Geen informatie beschikbaar, niet bestelbaar | ||||
| 050 | 315630-7 | |||
| SLUITRING M8 A | ||||
| 051 | 941202-8 | 1.00 | 1.21 | |
| VLEUGELMOER M8 KST | ||||
| 052 | 252626-6 | 6.00 | 7.26 | |
| Geen informatie beschikbaar, niet bestelbaar | ||||
| 053 | 251858-2 | |||
| DRUKVEER 7 | ||||
| 054 | 231316-4 | 1.00 | 1.21 | |
| VERZONKEN SCHROEF M5X12 | ||||
| 055 | 912212-2 | 1.00 | 1.21 | |
| Geen informatie beschikbaar, niet bestelbaar | ||||
| 056 | 342649-3 | |||
| SCHROEF M4X8MM | ||||
| 057 | 911106-8 | 1.00 | 1.21 | |
| BESCHERMKAPJE SR2600 * | ||||
| 058 | 342742-3 | 6.00 | 7.26 | |
| BESCHERMKAP HOUDER SR2600 * | ||||
| 059 | 342741-5 | 4.80 | 5.81 | |
| Geen informatie beschikbaar, niet bestelbaar | ||||
| 060 | 262042-4 | |||
| BORGRING M8 * | ||||
| 061 | 943202-4 | 1.00 | 1.21 | |
| VERZONKEN SCHROEF M8X20 * | ||||
| 062 | 251256-0 | 2.40 | 2.90 | |
| SCHROEF 4X12 A | ||||
| 063 | 911116-5 | 1.00 | 1.21 | |
| Geen informatie beschikbaar, niet bestelbaar | ||||
| 064 | 163207-0 | |||
| Geen informatie beschikbaar, niet bestelbaar | ||||
| 065 | 241317-4 | |||
| Geen informatie beschikbaar, niet bestelbaar | ||||
| 066 | 514828-5 | |||
| KRUISKOPSCHROEF 5X75 A | ||||
| 067 | 911300-2 | 1.20 | 1.45 | |
| RUBBER PEN 4 | ||||
| 068 | 263014-2 | 1.00 | 1.21 | |
| SLOTBOUT M8X30 | ||||
| 069 | 265845-5 | 1.20 | 1.45 | |