Hier vindt u alle beschikbare onderdelen en tekeningen van de 'Makita UR003G'. Vanaf hier kunt u direct alle gewenste onderdelen bestellen. Vele onderdelen moeten bij de fabrikant besteld worden, dit duurt afhankelijk van het merk, één tot vier weken. Alle informatie die we hebben, staat op onze website, wij kunnen u geen advies geven over wat u nodig heeft, daarvoor zult u de machine ter reparatie in moeten leveren. Let bij het bestellen op het volgende:
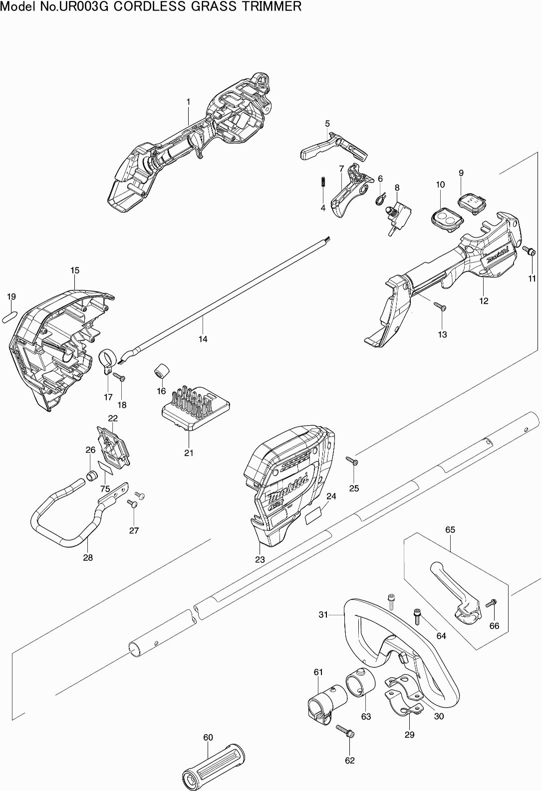
Tekeningen van de Makita UR003G
Onderdelen lijst van de Makita UR003G
| Pos. | Omschrijving | Prijs excl. BTW | Prijs incl. BTW | |
| Getoonde prijzen zijn inclusief btw | ||||
| HANDGREEPSET UR003G | ||||
| 001 | 183S36-9 | 17.60 | 21.30 | |
| DRUKVEER 4 | ||||
| 004 | 233101-1 | 1.00 | 1.21 | |
| BLOKKEERHENDEL DUR369N | ||||
| 005 | 459759-0 | 1.20 | 1.45 | |
| TORSIEVEER 12 P | ||||
| 006 | 233622-3 | 1.00 | 1.21 | |
| SCHAKELKNOP DUR369N | ||||
| 007 | 459758-2 | 2.40 | 2.90 | |
| SCHAKELAAR UR002/3G | ||||
| 008 | 651492-2 | 14.30 | 17.30 | |
| CIRCUIT INDIC UR002/3G | ||||
| 009 | 141B31-3 | 17.60 | 21.30 | |
| SCHAKELAARCIRCUIT G UR101C | ||||
| 010 | 140W06-5 | 16.50 | 19.96 | |
| LABEL A/U DUR369A | ||||
| 010C10 | 819J26-9 | 2.40 | 2.90 | |
| INBUSBOUT M5X20 A | ||||
| 011 | 922232-8 | 1.20 | 1.45 | |
| HANDGREEPSET UR003G | ||||
| 012 | 183S36-9 | 17.60 | 21.30 | |
| Geen informatie beschikbaar, niet bestelbaar | ||||
| 013 | 266326-2 | |||
| AANSLUITKABELUNIT UR002G | ||||
| 014 | 699159-4 | 16.50 | 19.96 | |
| MOTORHUISSET UR002/3G | ||||
| 015 | 183S34-3 | 17.60 | 21.30 | |
| RUBBER PEN 6 AC320H P | ||||
| 015C10 | 263005-3 | 1.00 | 1.21 | |
| LIJN FILTER BFS441 | ||||
| 016 | 688163-8 | 1.20 | 1.45 | |
| BUISBEUGEL 24 ER2650LH | ||||
| 017 | 346248-3 | 1.20 | 1.45 | |
| Geen informatie beschikbaar, niet bestelbaar | ||||
| 018 | 266326-2 | |||
| LABEL XGT HS004G | ||||
| 019 | 8012U4-2 | 2.40 | 2.90 | |
| CONTROLLER UR003G P | ||||
| 021 | 620E47-4 | 112.20 | 135.76 | |
| AANSLUITUNIT TD001G P | ||||
| 022 | 632P75-3 | 8.40 | 10.16 | |
| MOTORHUISSET UR002/3G | ||||
| 023 | 183S34-3 | 17.60 | 21.30 | |
| RUBBER PEN 6 AC320H P | ||||
| 023C10 | 263005-3 | 1.00 | 1.21 | |
| Geen informatie beschikbaar, niet bestelbaar | ||||
| 024 | 811A61-9 | |||
| Geen informatie beschikbaar, niet bestelbaar | ||||
| 025 | 266326-2 | |||
| DOP, -AFSLUIT DGA700 | ||||
| 026 | 422230-7 | 1.00 | 1.21 | |
| SCHROEF 4X20 HR2811 P | ||||
| 027 | 266420-0 | 1.00 | 1.21 | |
| BATTERIJGELEIDER UX01G | ||||
| 028 | 347752-5 | 8.40 | 10.16 | |
| KLEMBEUGEL 35, ONDER | ||||
| 029 | 347114-7 | 1.20 | 1.45 | |
| KLEMBEUGEL 35, BOVEN | ||||
| 030 | 347113-9 | 1.20 | 1.45 | |
| HANDGREEP D DUR368L | ||||
| 031 | 457267-5 | 11.00 | 13.31 | |
| RUBBER PEN 6 AC320H P | ||||
| 031C10 | 263005-3 | 1.00 | 1.21 | |
| KRUISKOPSCHROEF 5X20 | ||||
| 032 | 911233-1 | 1.00 | 1.21 | |
| AFDEKKAP UR002/3G | ||||
| 033 | 413335-4 | 8.40 | 10.16 | |
| KOGELLAGER 607ZZ A | ||||
| 034 | 211382-7 | 1.20 | 1.45 | |
| Geen informatie beschikbaar, niet bestelbaar | ||||
| 035 | 529146-8 | |||
| ANKER DUR365 A | ||||
| 036 | 619462-7 | 78.10 | 94.50 | |
| SCHROEF 4X16 A | ||||
| 037 | 911526-6 | 1.00 | 1.21 | |
| BINNENSCHILD DUR364L | ||||
| 038 | 455628-3 | 1.20 | 1.45 | |
| CONTROLLER B UR002G P | ||||
| 039 | 620E48-2 | 14.30 | 17.30 | |
| SCHROEF 4X16 A | ||||
| 040 | 911526-6 | 1.00 | 1.21 | |
| TREKONTLASTING | ||||
| 041 | 687042-7 | 1.00 | 1.21 | |
| MET.SCHROEF PH2 M5X16MM CK A | ||||
| 042 | 922223-9 | 1.00 | 1.21 | |
| INBUSBOUT M5X25MM A | ||||
| 043 | 922241-7 | 1.00 | 1.21 | |
| MOTORHUIS UR002/3G | ||||
| 044 | 141A05-8 | 17.60 | 21.30 | |
| KOGELLAGER 6001DW P | ||||
| 045 | 211131-2 | 9.60 | 11.62 | |
| BORGRING R-28 A | ||||
| 046 | 962106-1 | 1.20 | 1.45 | |
| BESCHERMRING G DUR368A | ||||
| 047 | 140L84-9 | 8.40 | 10.16 | |
| BORGRING EBH253U A | ||||
| 048 | 346355-2 | 9.60 | 11.62 | |
| ZESKANTBOUT M5X20 DUR361 | ||||
| 049 | 266896-1 | 6.00 | 7.26 | |
| REVET 4MM DUR361Z | ||||
| 050 | 261156-6 | 2.40 | 2.90 | |
| KLEM TBV BESCHERMKAP DUR361 | ||||
| 051 | 346785-7 | 3.60 | 4.36 | |
| Beschermkap UR002/3G | ||||
| 052 | 413336-2 | 6.00 | 7.26 | |
| Beschermkap U 350mm UR002/3G | ||||
| 053 | 141A09-0 | 5.00 | 6.05 | |
| DRAADSNIJDER EM405MP | ||||
| 054 | 347115-5 | 2.40 | 2.90 | |
| TAPSCHROEF 5X16 UC30/35/4020A | ||||
| 055 | 266388-0 | 1.00 | 1.21 | |
| PIJP CPL UR002/3G | ||||
| 056 | 141B05-4 | 16.50 | 19.96 | |
| MAKITA LOGO LABEL EBH253U | ||||
| 056C10 | 819312-8 | 2.40 | 2.90 | |
| WAARSCHUWINGSLABEL | ||||
| 056C20 | 819J22-7 | 2.40 | 2.90 | |
| O-RING 19 | ||||
| 057 | 213325-5 | 1.00 | 1.21 | |
| Geen informatie beschikbaar, niet bestelbaar | ||||
| 058 | 168526-9 | |||
| MOER M10 MS245.4UE A | ||||
| 059 | 264025-0 | 2.40 | 2.90 | |
| AFSTANDHOUDER BBC300L | ||||
| 060 | 451601-1 | 2.40 | 2.90 | |
| PIJPHOUDER DUX60 | ||||
| 061 | 457269-1 | 2.40 | 2.90 | |
| VLEUGELBOUT M5X25MM | ||||
| 062 | 922244-1 | 1.20 | 1.45 | |
| DEMPER DUX60 | ||||
| 063 | 424942-8 | 1.20 | 1.45 | |
| INBUSBOUT M5X20 | ||||
| 064 | 922234-4 | 1.00 | 1.21 | |
| HENDEL COMPLEET DUX60 | ||||
| 065 | 144315-6 | 3.60 | 4.36 | |
| SCHROEF 4X16 A | ||||
| 066 | 911526-6 | 1.00 | 1.21 | |
| AFDEKKAP UR002G | ||||
| 074 | 422727-6 | 1.00 | 1.21 | |
| Geen informatie beschikbaar, niet bestelbaar | ||||
| 075 | 811A67-7 | |||