Hier vindt u alle beschikbare onderdelen en tekeningen van de 'Metabo 02420000 ( BSP15.6PLUS )'. Vanaf hier kunt u direct alle gewenste onderdelen bestellen. Vele onderdelen moeten bij de fabrikant besteld worden, dit duurt afhankelijk van het merk, één tot vier weken. Alle informatie die we hebben, staat op onze website, wij kunnen u geen advies geven over wat u nodig heeft, daarvoor zult u de machine ter reparatie in moeten leveren. Let bij het bestellen op het volgende:
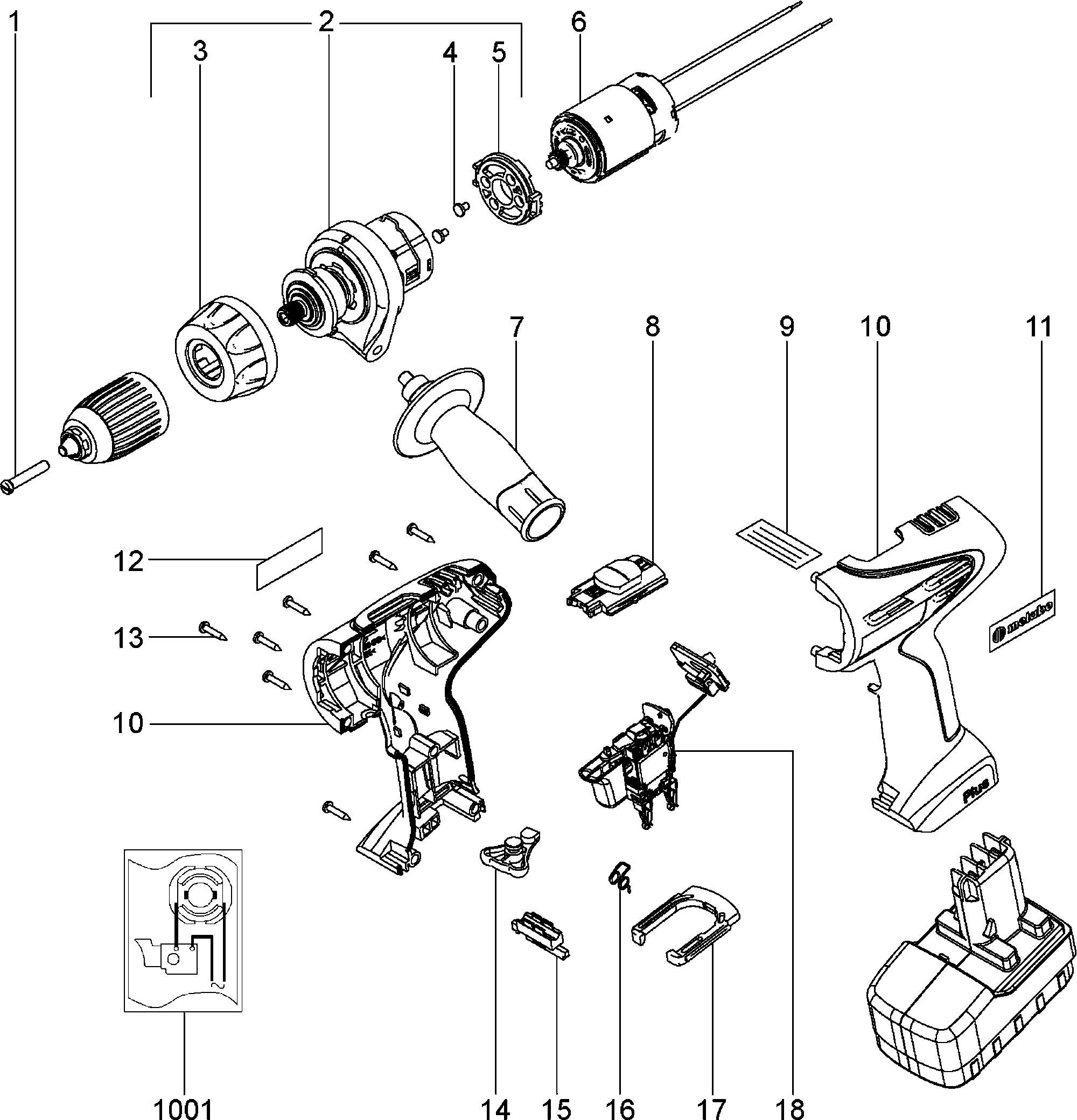
Tekeningen van de Metabo 02420000 ( BSP15.6PLUS )
Onderdelen lijst van de Metabo 02420000 ( BSP15.6PLUS )
| Pos. | Omschrijving | Prijs excl. BTW | Prijs incl. BTW | |
| Getoonde prijzen zijn inclusief btw | ||||
| CILINDERKOPSCHROEF | ||||
| 1 | 341701940 | 1.68 | 2.03 | |
| Geen informatie beschikbaar, niet bestelbaar | ||||
| 2 | 316035260 | |||
| Geen informatie beschikbaar, niet bestelbaar | ||||
| 3 | 315104250 | |||
| SCHROEF | ||||
| 4 | 141119850 | 1.56 | 1.89 | |
| Geen informatie beschikbaar, niet bestelbaar | ||||
| 5 | 343379430 | |||
| Niet meer leverbaar, geen vervanging | ||||
| 6 | 317003090 | |||
| HANDGREEP COMPL. | ||||
| 7 | 314000540 | 11.74 | 14.21 | |
| Geen informatie beschikbaar, niet bestelbaar | ||||
| 8 | 343379220 | |||
| Geen informatie beschikbaar, niet bestelbaar | ||||
| 9 | 399999990 | |||
| Geen informatie beschikbaar, niet bestelbaar | ||||
| 10 | 343379180 | |||
| METABO-PLAATJE | ||||
| 11 | 338118370 | 1.56 | 1.89 | |
| Geen informatie beschikbaar, niet bestelbaar | ||||
| 12 | 338044020 | |||
| SCHROEF | ||||
| 13 | 141113180 | 1.56 | 1.89 | |
| Geen informatie beschikbaar, niet bestelbaar | ||||
| 14 | 316035280 | |||
| Geen informatie beschikbaar, niet bestelbaar | ||||
| 15 | 343374330 | |||
| PASSERVEER | ||||
| 16 | 342021670 | 1.56 | 1.89 | |
| Niet meer leverbaar, geen vervanging | ||||
| 17 | 343374940 | |||
| Geen informatie beschikbaar, niet bestelbaar | ||||
| 18 | 343407450 | |||