Hier vindt u alle beschikbare onderdelen en tekeningen van de 'Metabo 0102502000-11 ( TS250 )'. Vanaf hier kunt u direct alle gewenste onderdelen bestellen. Vele onderdelen moeten bij de fabrikant besteld worden, dit duurt afhankelijk van het merk, één tot vier weken. Alle informatie die we hebben, staat op onze website, wij kunnen u geen advies geven over wat u nodig heeft, daarvoor zult u de machine ter reparatie in moeten leveren. Let bij het bestellen op het volgende:
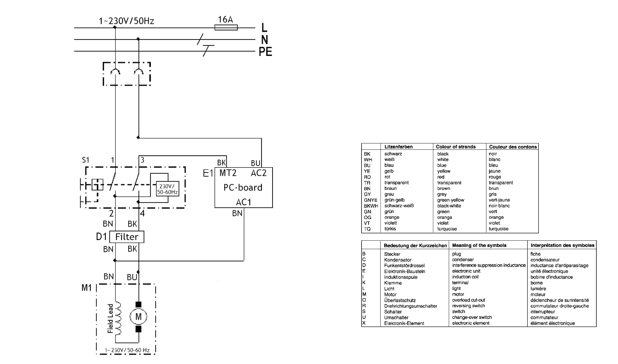
Tekeningen van de Metabo 0102502000-11 ( TS250 )
Onderdelen lijst van de Metabo 0102502000-11 ( TS250 )
| Pos. | Omschrijving | Prijs excl. BTW | Prijs incl. BTW | |
| Getoonde prijzen zijn inclusief btw | ||||
| BESCHERMKAP COMPL. | ||||
| 1 | 316052430 | 12.23 | 14.80 | |
| Geen informatie beschikbaar, niet bestelbaar | ||||
| 2 | 1010706730 | |||
| Niet meer leverbaar, geen vervanging | ||||
| 3 | 1482706742 | |||
| Geen informatie beschikbaar, niet bestelbaar | ||||
| 4 | 1010706722 | |||
| TAFELINLEG COMPLEET TS 250 | ||||
| 5 | 1010706706 | 43.15 | 52.21 | |
| Geen informatie beschikbaar, niet bestelbaar | ||||
| 6 | 1010706862 | |||
| Geen informatie beschikbaar, niet bestelbaar | ||||
| 7 | 1380706870 | |||
| Geen informatie beschikbaar, niet bestelbaar | ||||
| 8 | 1383706676 | |||
| Geen informatie beschikbaar, niet bestelbaar | ||||
| 9 | 1383707125 | |||
| Geen informatie beschikbaar, niet bestelbaar | ||||
| 10 | 1010706650 | |||
| Geen informatie beschikbaar, niet bestelbaar | ||||
| 11 | 1010706684 | |||
| Geen informatie beschikbaar, niet bestelbaar | ||||
| 12 | 1010706854 | |||
| Geen informatie beschikbaar, niet bestelbaar | ||||
| 13 | 1010706641 | |||
| SCHAKELAAR 230V/60HZ DH 330 | ||||
| 14 | 1011712599 | 67.33 | 81.47 | |
| Geen informatie beschikbaar, niet bestelbaar | ||||
| 15 | 1010706714 | |||
| Geen informatie beschikbaar, niet bestelbaar | ||||
| 18 | 1010706820 | |||
| Geen informatie beschikbaar, niet bestelbaar | ||||
| 19 | 1010706838 | |||
| Geen informatie beschikbaar, niet bestelbaar | ||||
| 20 | 1010706803 | |||
| Geen informatie beschikbaar, niet bestelbaar | ||||
| 21 | 1010706846 | |||
| Niet meer leverbaar, geen vervanging | ||||
| 22 | 1010706633 | |||
| PARALLELANSCHLAG KPL. TS 250 | ||||
| 23 | 1010706668 | 134.27 | 162.47 | |
| Geen informatie beschikbaar, niet bestelbaar | ||||
| 24 | 1010706765 | |||
| Geen informatie beschikbaar, niet bestelbaar | ||||
| 25 | 1010706757 | |||
| Geen informatie beschikbaar, niet bestelbaar | ||||
| 26 | 1010706773 | |||
| Geen informatie beschikbaar, niet bestelbaar | ||||
| 28 | 1382720500 | |||
| Geen informatie beschikbaar, niet bestelbaar | ||||
| 30 | 1010707176 | |||
| Geen informatie beschikbaar, niet bestelbaar | ||||
| 31 | 1010707150 | |||
| MOTOR COMPLEET 2,00 KW TS 250 | ||||
| 32 | 1010707141 | 375.44 | 454.28 | |
| Niet meer leverbaar, geen vervanging | ||||
| 33 | 1010707168 | |||
| Niet meer leverbaar, geen vervanging | ||||
| 34 | 1010707133 | |||